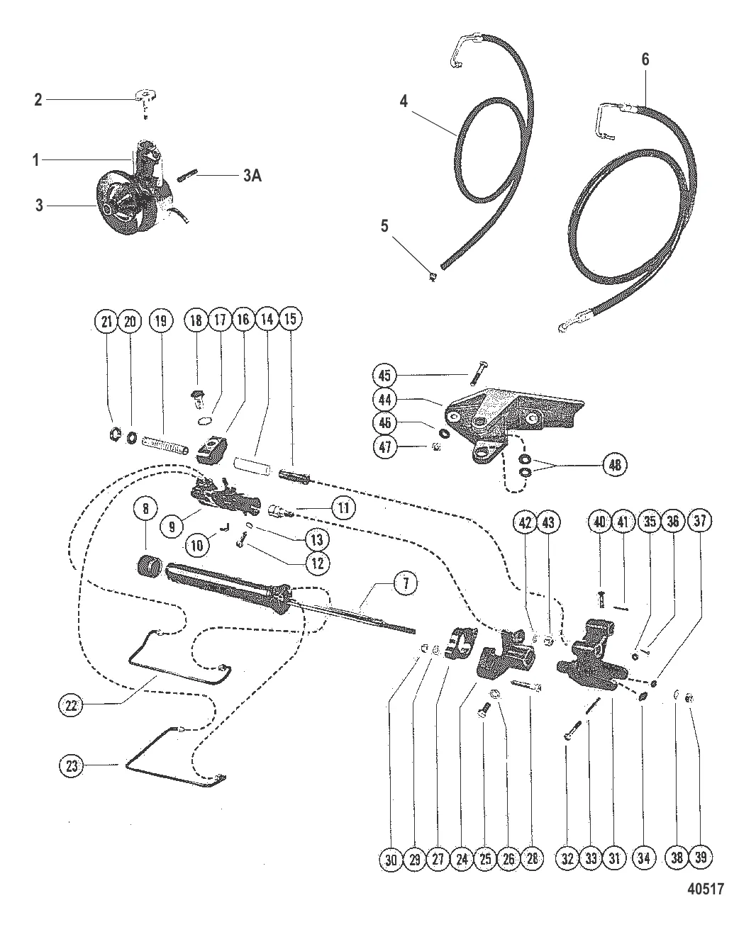
Комплект рулевого механизма с усилителем (Стр. 1 из 2) — 1980-1981 [5520115 THRU 6218036] — купить в Victory Marine
Комплект рулевого механизма с усилителем (Стр. 1 из 2)
1
2
3
6

Комплект рулевого механизма с усилителем (Стр. 1 из 2)

Уточняйте

2 . CAP Mercury 39924

38333 → 39924

Уточняйте

3 . ШКИВ Mercury 73873A1

73873 → 73873A1

36 590 ₽

Уточняйте

13 106 ₽

843 ₽

Уточняйте

Уточняйте

Полезные статьи

Все статьи →
Связаться с нами