Комплект пусковой системы с поворотным ключом (Стр. 1 из 3) — 90 (СИЛОВАЯ ГОЛОВКА – С ВПРЫСКОМ МАСЛА) — купить в Victory Marine
Комплект пусковой системы с поворотным ключом (Стр. 1 из 3)
2
3
4
5
6
7
8
9
10
11
12
13
14
15
16
17
18
23
24
25
26
28
29
30
31
32
33

Комплект пусковой системы с поворотным ключом (Стр. 1 из 3)

22 779 ₽

570 ₽

467 ₽

Уточняйте

1 575 ₽

Уточняйте

2 092 ₽

3 011 ₽

841 ₽

Уточняйте

171 ₽

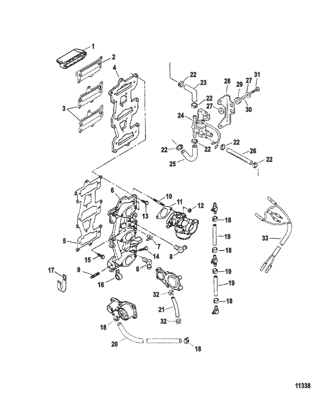
12 . ГАЙКА (0.312-18) Mercury 68292

F1349 → F1330 → 68292

197 ₽

258 ₽

Уточняйте

235 ₽

185 ₽

17 . J-ЗАЖИМ Mercury 65292

8M0024808 → 65292

296 ₽

742 ₽

5 238 ₽

8 732 ₽

844 ₽

935 ₽

24 . AUTO ENRICHNER Mercury 814329T6

8143296 → 8143294 → 814329T6

51 601 ₽

25 . РУКАВ Mercury 830766

827959 → 830766

336 ₽

627 ₽

292 ₽

Уточняйте

228 ₽

359 ₽

298 ₽

45 ₽

1 336 ₽

1 862 ₽

Полезные статьи

Все статьи →
Связаться с нами