КОМПЛЕКТ ДИФФЕРЕНТНОЙ СИСТЕМЫ (822344A7) — [ALL & Up] — купить в Victory Marine
КОМПЛЕКТ ДИФФЕРЕНТНОЙ СИСТЕМЫ (822344A7)
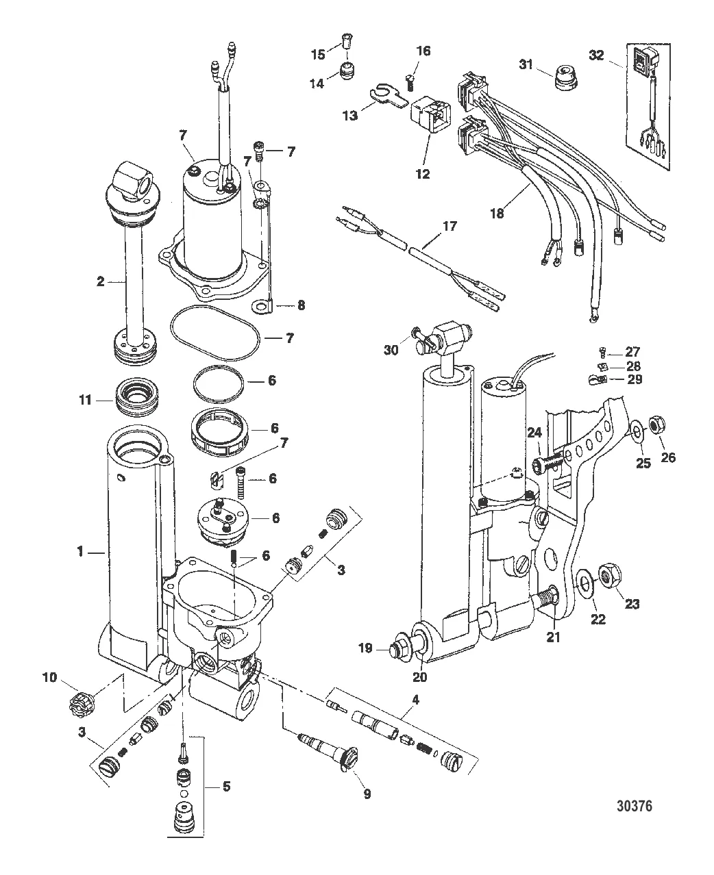
2
5
6
7
8
11
13
14
15
16
17
18
19
20
21
22
23
24
25
26
27
28
29
30
31

КОМПЛЕКТ ДИФФЕРЕНТНОЙ СИСТЕМЫ (822344A7)

283 793 ₽

2 . SHOCK ROD ASSY Mercury 893931A01

827670A2 → 893931A01

135 922 ₽

20 963 ₽

32 274 ₽

21 965 ₽

51 366 ₽

75 831 ₽

1 038 ₽

8 637 ₽

3 500 ₽

11 615 ₽

3 600 ₽

575 ₽

392 ₽

140 ₽

561 ₽

4 055 ₽

29 787 ₽

12 157 ₽

2 643 ₽

3 209 ₽

507 ₽

23 . ГАЙКА Mercury 826712

4013414 → 4011914 → 826712

1 087 ₽

1 859 ₽

25 . ШАЙБА Mercury 4002319

4002219 → 809931072 → 4002319

347 ₽

922 ₽

335 ₽

152 ₽

574 ₽

755 ₽

4 706 ₽

32 . Комплект переключателя дифферентной системы 8M0042301

896620 → 856990 → 850691 → 18286A40 → 18286A27 → 18286A25 → 18286A13 → 18286A4 → 8M0042301

18 730 ₽

Полезные статьи

Все статьи →
Связаться с нами