КОЛОКОЛООБРАЗНЫЙ КОЖУХ — [0F730000 THRU 0M100000] — купить в Victory Marine
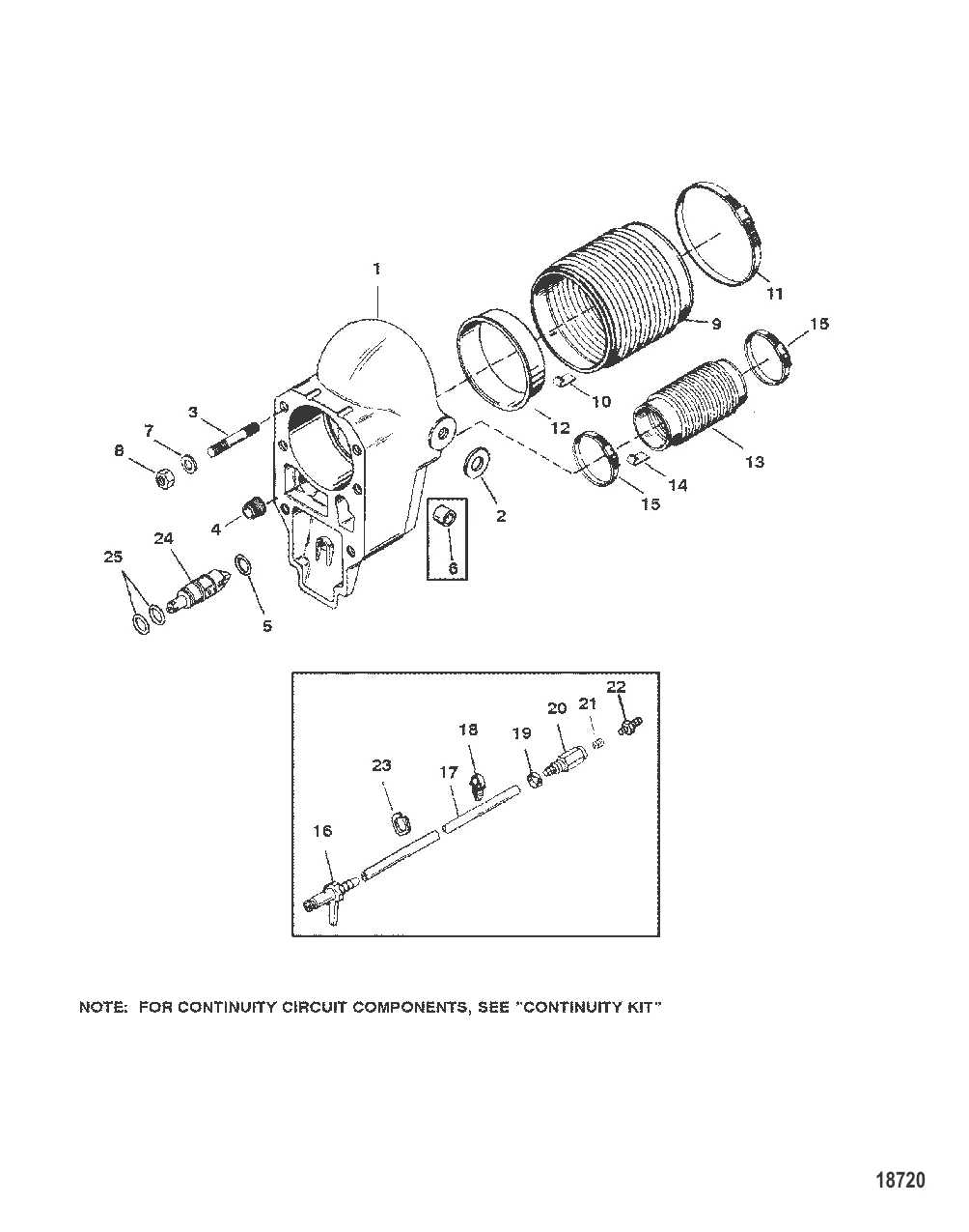
КОЛОКОЛООБРАЗНЫЙ КОЖУХ
2
3
5
11
12
13
14
15
16
17
18
19
20
21
22
23
24
25

КОЛОКОЛООБРАЗНЫЙ КОЖУХ

183 416 ₽

120 000 ₽

521 ₽

1 126 ₽

1 000 ₽

5 . Кольцо 62705

F748342 → 62705

44 ₽

2 900 ₽

350 ₽

450 ₽

18 700 ₽

11 . Хомут 815504372

31765 → 815504372

1 821 ₽

12 . Втулка 862209

86814 → 862209

937 ₽

9 365 ₽

7 500 ₽

208 ₽

15 . Хомут 815504348

32533 → 815504348

3 051 ₽

16 . Коннектор 815303T

815303 → 12899 → 815303T

1 271 ₽

Уточняйте

329 ₽

141 ₽

Уточняйте

4 109 ₽

1 105 ₽

999 ₽

7 900 ₽

Уточняйте

Полезные статьи

Все статьи →
Гайды и подбор

Спасательный жилет для рыбалки — как выбрать по требованиям ГИМС

Как выбрать спасательный жилет, который и ГИМС устроит, и рыбачить в нём удобно. Отличие спасательного от страховочного, размеры, плавучесть, что проверяют инспекторы.

1 мин.
Гайды и подбор

Прикормка для рыбалки своими руками — рецепты на леща, карася, плотву

Делаем прикормку сами: проверенные рецепты на леща, карася и плотву. Базовые компоненты, ароматизаторы и правильная консистенция.

1 мин.
Обслуживание и ремонт

Вибрация лодочного мотора — причины, диагностика и устранение

Вибрация лодочного мотора может быть вызвана десятком причин — от повреждённого винта до износа подвески. Разбираем каждую причину, объясняем, как диагностировать, и рассказываем, что можно исправить самому, а с чем ехать в сервис.

1 мин.
Связаться с нами