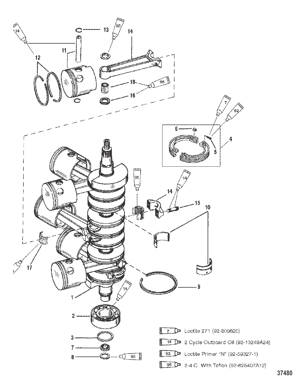
КОЛЕНЧАТЫЙ ВАЛ ПОРШНИ И СОЕДИНИТЕЛЬНЫЕ СТЕРЖНИ — [0G303046 THRU 0G760299] - USA — купить в Victory Marine
КОЛЕНЧАТЫЙ ВАЛ ПОРШНИ И СОЕДИНИТЕЛЬНЫЕ СТЕРЖНИ
1
3
6
7
8
9
13
15
16
17
18

КОЛЕНЧАТЫЙ ВАЛ ПОРШНИ И СОЕДИНИТЕЛЬНЫЕ СТЕРЖНИ

Уточняйте

339 ₽

14 415 ₽

153 ₽

513 ₽

445 ₽

7 . СТАКАН В СБОРЕ Mercury 54196A6

54196A1 → 54196 → 54196A6

2 676 ₽

434 ₽

1 892 ₽

15 550 ₽

24 322 ₽

28 800 ₽

38 195 ₽

27 221 ₽

47 084 ₽

59 565 ₽

333 ₽

68 189 ₽

734 ₽

721 ₽

10 556 ₽

38 ₽

Полезные статьи

Все статьи →
Связаться с нами