КАТУШКА ЗАЖИГАНИЯ/РЕГУЛЯТОР НАПРЯЖЕНИЯ — [0G760300 THRU 0G960499] - USA — купить в Victory Marine
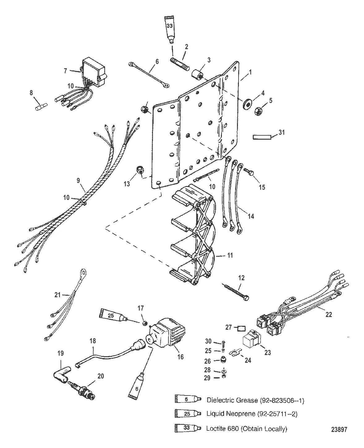
КАТУШКА ЗАЖИГАНИЯ/РЕГУЛЯТОР НАПРЯЖЕНИЯ
2
3
5
6
8
9
10
11
12
13
14
17
21
22
24
25
26
29
31

КАТУШКА ЗАЖИГАНИЯ/РЕГУЛЯТОР НАПРЯЖЕНИЯ

Уточняйте

892 ₽

472 ₽

109 ₽

266 ₽

995 ₽

7 . Регулятор напряжения 8M0084173

883072T → 854515T1 → 854515 → 8301792 → 8152795 → 815279T → 8152793 → 8M0084173

43 107 ₽

434 ₽

15 058 ₽

15 086 ₽

45 ₽

Уточняйте

230 ₽

175 ₽

1 064 ₽

136 ₽

16 . Катушка зажигания Mercury 15 832757A4

7370A13 → 7370A8 → 7370A2 → 4995A2 → 4995A1 → 4774A1 → 832757A4

14 211 ₽

201 ₽

19 192 ₽

862 ₽

2 211 ₽

708 ₽

3 436 ₽

29 912 ₽

3 600 ₽

575 ₽

140 ₽

392 ₽

226 ₽

Уточняйте

346 ₽

Уточняйте

Полезные статьи

Все статьи →
Гайды и подбор

ППВВП для маломерных судов — навигационные правила простым языком

Правила плавания по внутренним водным путям кажутся сложными только на первый взгляд. Разбираем основные навигационные правила для маломерных судов: приоритет, знаки, скорость, обгон и ночное плавание.

1 мин.
Обслуживание и ремонт

Аноды для лодочного мотора: зачем нужны, какие бывают, когда менять

Жертвенные аноды — копеечная деталь, без которой мотор съест коррозия. Разбираем типы (цинк, магний, алюминий), расположение на Mercury, правила замены и частые ошибки.

1 мин.
Обслуживание и ремонт

Ремонт редуктора лодочного мотора Mercury своими руками

Подробная инструкция по ремонту редуктора (lower unit) лодочного мотора Mercury: диагностика, снятие, замена сальников, шестерён и подшипников, сборка. Конкретные артикулы запчастей и сравнение стоимости самостоятельного ремонта с сервисом.

1 мин.
Связаться с нами