3
7
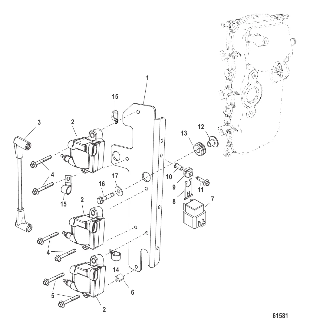
Катушка зажигания
6 725 ₽
13 454 ₽
3
3 . 881908T Высоковольтные провода Mercury 40-60 (optimax) ( QUICKSILVER )
821945T74 → 821945T65 → 881908T
4 500 ₽
605 ₽
415 ₽
Уточняйте
7
7 . 882751A1 Реле трима (Power Trim Relay) Mercury / MerCruiser 8M0207773
828151A1 → 828151 → 882751A1
3 600 ₽
575 ₽
392 ₽
140 ₽
383 ₽
734 ₽
339 ₽
296 ₽
Уточняйте
273 ₽
46 ₽