Картер редуктора (Ведущий вал)(стандартное вращение/противовращение) — [1B227000 THRU 1B381711] - USA — купить в Victory Marine
Картер редуктора (Ведущий вал)(стандартное вращение/противовращение)
5
6
7
9
10
12
13
17
18
19
21
22
24
26
33
37
39
41
42

Картер редуктора (Ведущий вал)(стандартное вращение/противовращение)

231 032 ₽

2 500 ₽

306 ₽

439 ₽

442 ₽

801 ₽

3 074 ₽

2 800 ₽

518 ₽

8 272 ₽

868 ₽

5 001 ₽

2 100 ₽

Уточняйте

140 ₽

Уточняйте

14 836 ₽

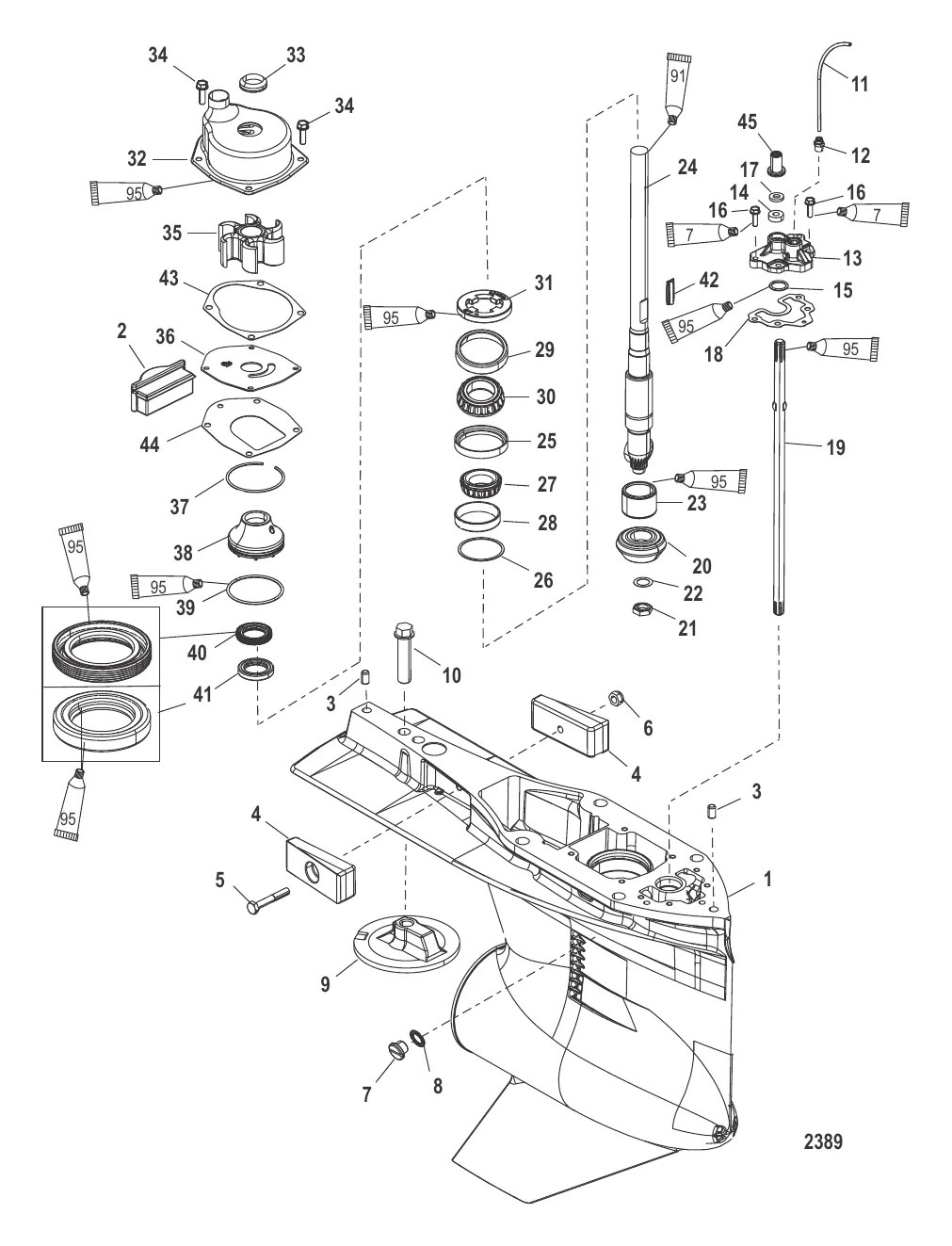
21 . Гайка 35921

47411 → 35921

909 ₽

22 . ШАЙБА Mercury 92721

F694186 → 92721

171 ₽

8 900 ₽

86 785 ₽

95 576 ₽

72 500 ₽

31 080 ₽

1 212 ₽

16 000 ₽

1 535 ₽

34 . ВИНТ (M6 x 1.0 x 20) Mercury 8M4503518

40011128 → 1994020 → 8M4503518

394 ₽

4 300 ₽

1 900 ₽

176 ₽

7 900 ₽

39 . Кольцо 8M0142854

896523 → 8M0142854

55 ₽

Уточняйте

42 . Ключ 8M0032833

43037 → 8M0032833

302 ₽

600 ₽

1 290 ₽

5 000 ₽

Полезные статьи

Все статьи →
Гайды и подбор

Какой катер выбрать для рыбалки — типы, размеры и комплектация

Выбор катера для рыбалки — задача, которая зависит от водоёма, целевой рыбы и бюджета. Разбираем типы корпусов, оптимальные размеры, мощность мотора и обязательное оснащение рыболовного катера.

1 мин.
Обслуживание и ремонт

Промывка системы охлаждения лодочного мотора — средства и процедура

Промывка системы охлаждения — обязательная процедура для любого лодочного мотора, особенно после эксплуатации в солёной или мутной воде. Разбираем средства, методы и пошаговую процедуру промывки для моторов Mercury.

1 мин.
Сравнения и обзоры

Рейтинг лодочных моторов 2026 — какой выбрать

Честный рейтинг лодочных моторов 2026 года — от портативных 3.5 л.с. до мощных 400-сильных Verado. Сравниваем Mercury, Tohatsu и другие бренды по надёжности, стоимости владения, весу и расходу топлива. Лучшие моторы для рыбалки, семейного катера и бюджетного варианта.

2 мин.
Связаться с нами