Картер редуктора (Ведущий вал)(стандартное вращение/противовращение) — [0P464488 THRU 0P520552] - Belgium — купить в Victory Marine
Картер редуктора (Ведущий вал)(стандартное вращение/противовращение)
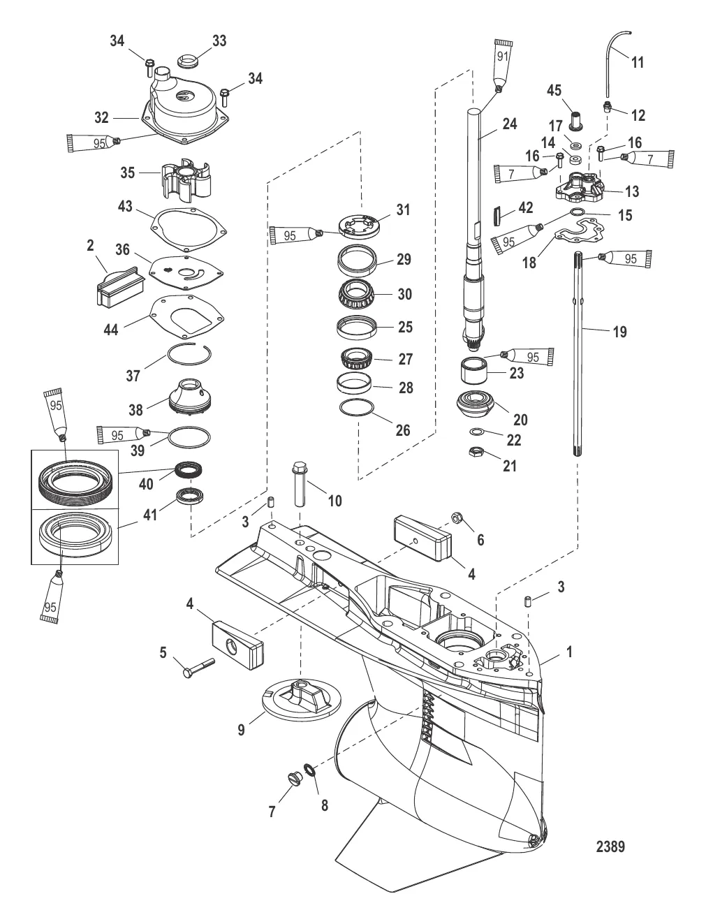
5
6
7
9
10
12
13
15
17
18
19
21
22
24
25
26
32
33
34
37
39
41
42

Картер редуктора (Ведущий вал)(стандартное вращение/противовращение)

231 032 ₽

2 500 ₽

306 ₽

439 ₽

442 ₽

801 ₽

3 074 ₽

2 800 ₽

518 ₽

8 272 ₽

868 ₽

5 001 ₽

2 100 ₽

Уточняйте

140 ₽

Уточняйте

14 836 ₽

21 . Гайка 35921

47411 → 35921

909 ₽

22 . ШАЙБА Mercury 92721

F694186 → 92721

171 ₽

8 900 ₽

86 785 ₽

95 576 ₽

72 500 ₽

31 080 ₽

1 212 ₽

Уточняйте

16 000 ₽

1 535 ₽

34 . ВИНТ (M6 x 1.0 x 20) Mercury 8M4503518

40011128 → 1994020 → 8M4503518

394 ₽

4 300 ₽

1 900 ₽

176 ₽

7 900 ₽

39 . Кольцо 8M0142854

896523 → 8M0142854

55 ₽

Уточняйте

42 . Ключ 8M0032833

43037 → 8M0032833

302 ₽

600 ₽

1 290 ₽

5 000 ₽

Полезные статьи

Все статьи →
Связаться с нами