КАРТЕР РЕДУКТОРА (ВЕДУЩИЙ ВАЛ)(50/55/60) — [9885345 THRU 9973099] - Belgium — купить в Victory Marine
КАРТЕР РЕДУКТОРА (ВЕДУЩИЙ ВАЛ)(50/55/60)
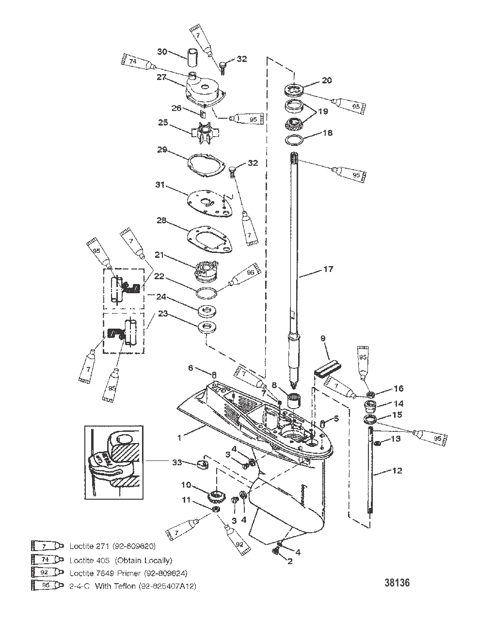
1
5
7
8
10
11
13
14
15
17
18
23
24
26
31
32

КАРТЕР РЕДУКТОРА (ВЕДУЩИЙ ВАЛ)(50/55/60)

1 . ORD 1671-9760T30 Mercury 9760T31

9760A31 → 9760A3 → 9760T31

94 388 ₽

1 . ORD 1671-9760T42 Mercury 9760T32

9760A32 → 9760A20 → 9760T32

108 553 ₽

179 487 ₽

2 . 8M0058389 Болт с магнитом сливной (QUICKSILVER)

67892A06 → 67892A05 → 67892A1 → 67892 → 14834A1 → 14834 → 8M0058389

1 700 ₽

3 . 79953q04 Болт сливной с Прокладкой без магнита

79953Q2 → 79953A2 → 79953 → 28634 → 20259 → 79953Q04

900 ₽

250 ₽

382 ₽

306 ₽

4 109 ₽

4 249 ₽

741 ₽

25 000 ₽

743 ₽

14 385 ₽

Уточняйте

13 . Кольцо 29641

20233 → 29641

198 ₽

6 500 ₽

407 ₽

2 100 ₽

80 949 ₽

67 616 ₽

62 627 ₽

3 054 ₽

7 300 ₽

6 000 ₽

6 600 ₽

225 ₽

2 800 ₽

3 200 ₽

6 500 ₽

545 ₽

24 700 ₽

Уточняйте

31 . Плата 19700A2

19700A1 → 197001 → 19700 → 19700A2

2 055 ₽

32 . Болт 8248324

82304213 → 804368 → 8248324

194 ₽

33 . Переключатель реверса 760394

76039 → 36288 → 30147 → 20860 → 760394

6 002 ₽

Полезные статьи

Все статьи →
Связаться с нами