КАРТЕР РЕДУКТОРА Ведущий вал – TorqueMaster — [0T235000 THRU 0T818180] - USA — купить в Victory Marine
КАРТЕР РЕДУКТОРА Ведущий вал – TorqueMaster
4
6
7
10
11
12
13
14
15
19
20
21
23
24
25
29
30
31
33
34
35
36
37
38
40
42
43
44
45
46

КАРТЕР РЕДУКТОРА Ведущий вал – TorqueMaster

482 146 ₽

3 331 ₽

306 ₽

868 ₽

Уточняйте

2 421 ₽

1 355 ₽

8 900 ₽

439 ₽

442 ₽

5 525 ₽

Уточняйте

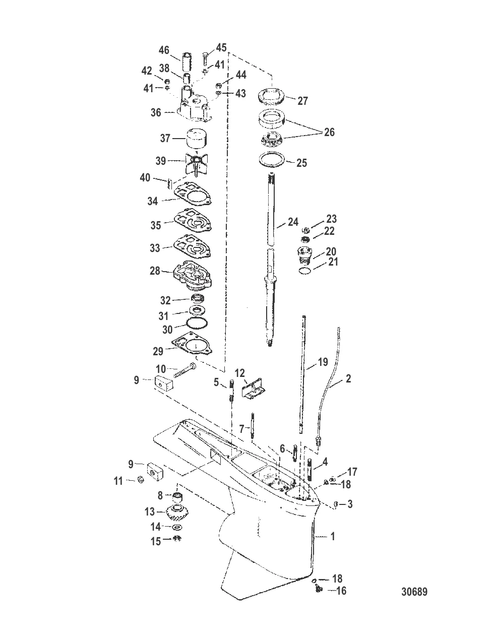
14 . ШАЙБА Mercury 92721

F694186 → 92721

171 ₽

15 . Гайка 35921

47411 → 35921

909 ₽

16 . 8M0058389 Болт с магнитом сливной (QUICKSILVER)

67892A06 → 67892A05 → 67892A1 → 67892 → 14834A1 → 14834 → 8M0058389

1 700 ₽

17 . 79953q04 Болт сливной с Прокладкой без магнита

79953Q2 → 79953A2 → 79953 → 28634 → 20259 → 79953Q04

900 ₽

250 ₽

15 284 ₽

3 970 ₽

235 ₽

2 100 ₽

140 ₽

161 588 ₽

814 ₽

6 500 ₽

Уточняйте

6 951 ₽

356 ₽

30 . Кольцо 8M0142854

896523 → 8M0142854

55 ₽

2 900 ₽

2 500 ₽

1 159 ₽

403 ₽

661 ₽

36 . Корпус помпы 96148T1

96148A1 → 64141A1 → 48743A1 → 96148T1

8 647 ₽

1 199 ₽

508 ₽

5 272 ₽

40 . КЛЮЧ Mercury 8M0032834

56654 → 8M0032834

323 ₽

113 ₽

266 ₽

144 ₽

342 ₽

201 ₽

968 ₽

Полезные статьи

Все статьи →
Связаться с нами