Картер редуктора (Ведущий вал) — [2B034840 THRU 2B144122] — купить в Victory Marine
Картер редуктора (Ведущий вал)
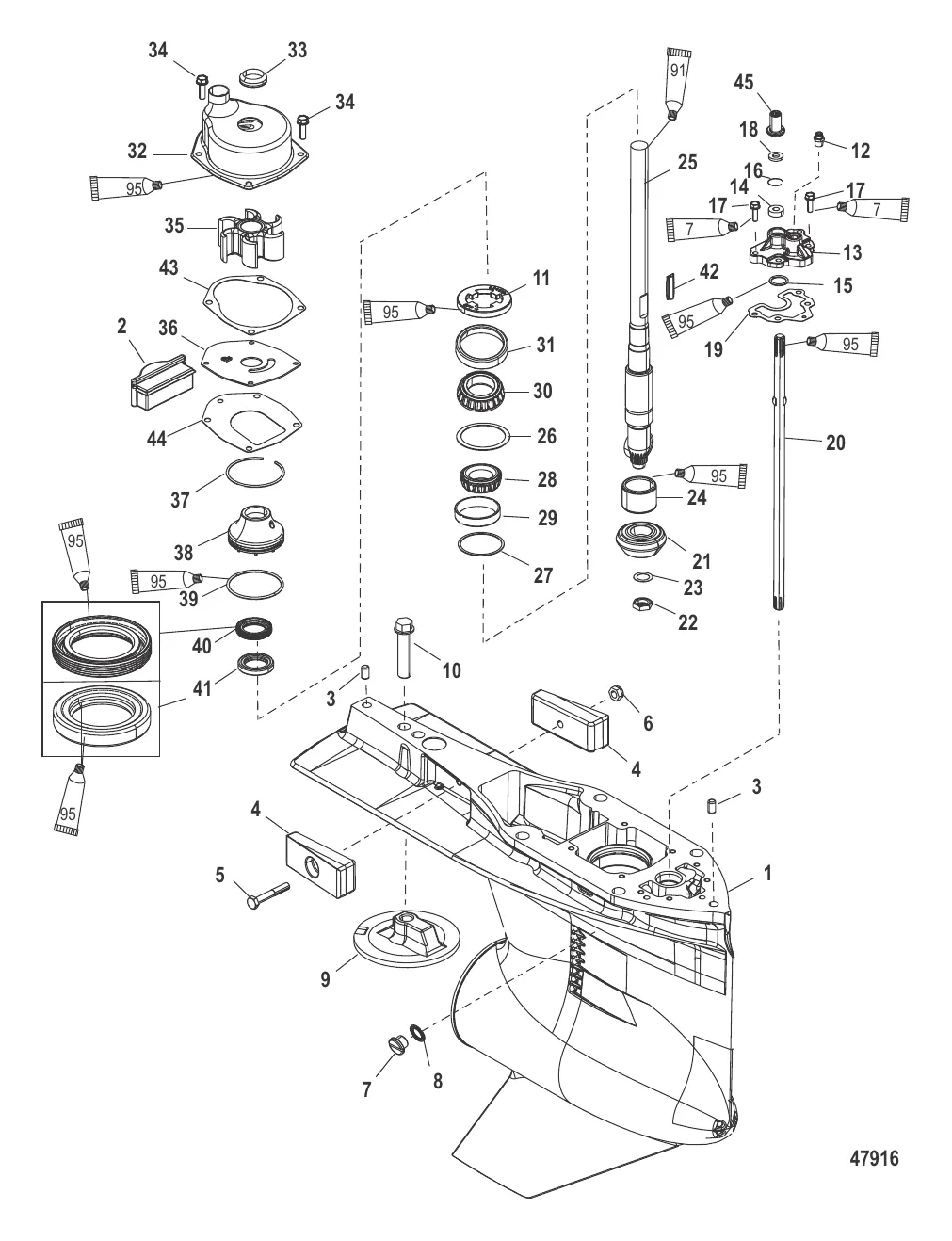
1
2
5
6
7
10
12
13
15
16
18
19
20
22
23
25
26
27
32
33
34
37
39
41
42

Картер редуктора (Ведущий вал)

90 000 ₽

231 032 ₽

4 500 ₽

306 ₽

439 ₽

442 ₽

801 ₽

2 800 ₽

3 074 ₽

518 ₽

Уточняйте

868 ₽

5 001 ₽

2 100 ₽

Уточняйте

583 ₽

140 ₽

Уточняйте

14 836 ₽

22 . Гайка 35921

47411 → 35921

909 ₽

23 . ШАЙБА Mercury 92721

F694186 → 92721

171 ₽

8 900 ₽

86 785 ₽

95 576 ₽

3 370 ₽

1 212 ₽

3 000 ₽

6 500 ₽

16 000 ₽

1 535 ₽

34 . ВИНТ (M6 x 1.0 x 20) Mercury 8M4503518

40011128 → 1994020 → 8M4503518

394 ₽

4 300 ₽

1 900 ₽

176 ₽

7 900 ₽

39 . Кольцо 8M0142854

896523 → 8M0142854

55 ₽

Уточняйте

42 . Ключ 8M0032833

43037 → 8M0032833

302 ₽

600 ₽

1 290 ₽

5 000 ₽

Полезные статьи

Все статьи →
Связаться с нами