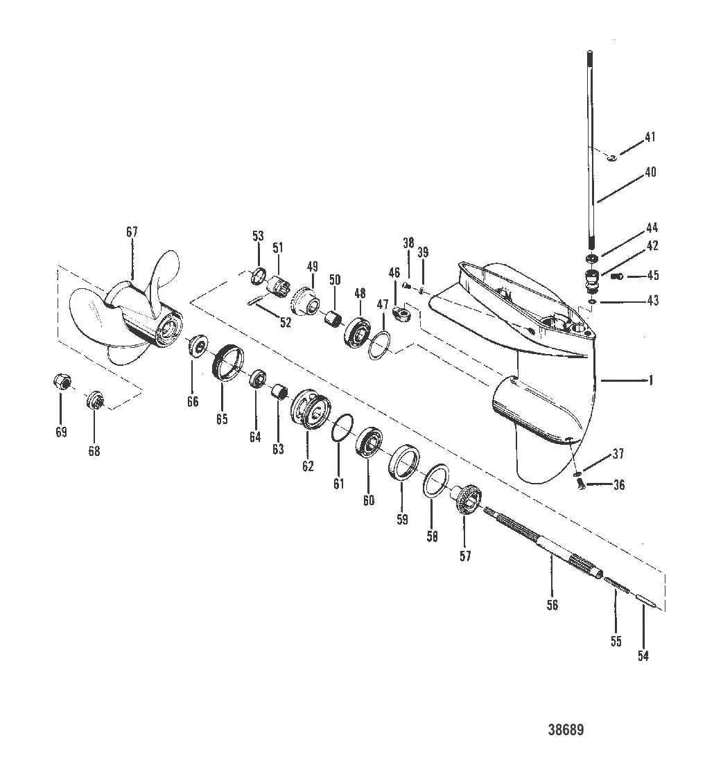
КАРТЕР РЕДУКТОРА (ВАЛ ГРЕБНОГО ВИНТА) — [9258281 & Up] - Belgium - Cat.# 90-90694 — купить в Victory Marine
КАРТЕР РЕДУКТОРА (ВАЛ ГРЕБНОГО ВИНТА)
1
38
39
41
42
44
45
46
47
49
51
52
53
54
55
57
58
59
60
61
62
63
65
66
67
69

КАРТЕР РЕДУКТОРА (ВАЛ ГРЕБНОГО ВИНТА)

40 208 ₽

36 . 79953q04 Болт сливной с Прокладкой без магнита

79953Q2 → 79953A2 → 79953 → 28634 → 20259 → 79953Q04

900 ₽

250 ₽

299 ₽

109 ₽

Уточняйте

Уточняйте

297 ₽

16 050 ₽

350 ₽

897 ₽

Уточняйте

Уточняйте

Уточняйте

35 923 ₽

13 385 ₽

Уточняйте

92 ₽

Уточняйте

Уточняйте

Уточняйте

28 779 ₽

Уточняйте

Уточняйте

8 676 ₽

339 ₽

62 . CARRIER ASSY Mercury 72673T1

72673A1 → 72673T1

22 309 ₽

1 872 ₽

1 173 ₽

1 274 ₽

Уточняйте

7 304 ₽

1 931 ₽

Полезные статьи

Все статьи →
Гайды и подбор

Какое давление должно быть в баллонах лодки ПВХ и как правильно накачать

Рекомендуемое давление в баллонах, киле и днище лодки ПВХ. Как пользоваться манометром, чем грозит перекачка и недокачка, влияние температуры и как подкачать лодку прямо на воде.

1 мин.
Обслуживание и ремонт

Перегрев лодочного мотора — 7 причин и что делать прямо на воде

Перегрев — одна из самых опасных ситуаций для подвесного мотора. Разбираем 7 основных причин перегрева и даём пошаговую инструкцию, что делать, если температура полезла вверх прямо посреди водоёма.

1 мин.
Гайды и подбор

ППВВП для маломерных судов — навигационные правила простым языком

Правила плавания по внутренним водным путям кажутся сложными только на первый взгляд. Разбираем основные навигационные правила для маломерных судов: приоритет, знаки, скорость, обгон и ночное плавание.

1 мин.
Связаться с нами