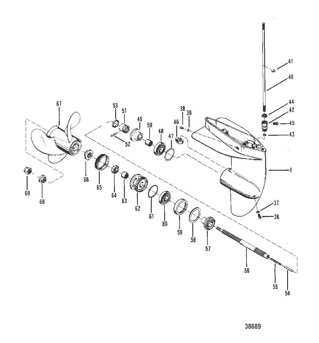
КАРТЕР РЕДУКТОРА (ВАЛ ГРЕБНОГО ВИНТА) — [8068065 & Up] - Australia - Cat.# 90-90694 — купить в Victory Marine
КАРТЕР РЕДУКТОРА (ВАЛ ГРЕБНОГО ВИНТА)
38
39
41
42
44
45
46
47
51
52
53
54
55
57
58
59
60
62
63
65
66

КАРТЕР РЕДУКТОРА (ВАЛ ГРЕБНОГО ВИНТА)

40 208 ₽

36 . 79953Q04 Болт сливной с Прокладкой без магнита (QUICKSILVER)

79953Q2 → 79953A2 → 79953 → 28634 → 20259 → 79953Q04

900 ₽

250 ₽

299 ₽

109 ₽

Уточняйте

Уточняйте

297 ₽

16 050 ₽

350 ₽

897 ₽

Уточняйте

Уточняйте

Уточняйте

35 923 ₽

13 385 ₽

Уточняйте

92 ₽

Уточняйте

Уточняйте

Уточняйте

28 779 ₽

Уточняйте

Уточняйте

8 676 ₽

339 ₽

62 . CARRIER ASSY Mercury 72673T1

72673A1 → 72673T1

22 309 ₽

1 872 ₽

1 173 ₽

1 274 ₽

Уточняйте

7 304 ₽

1 931 ₽

Полезные статьи

Все статьи →
Гайды и подбор

Джиговая ловля с лодки — полное руководство для начинающих

Джиговая ловля с лодки — один из самых результативных способов поймать судака, щуку и окуня. Разбираем снасти, приманки, технику проводки и позиционирование лодки для успешного джига.

1 мин.
Обслуживание и ремонт

Мотор глохнет на холостых оборотах — пошаговая диагностика

Лодочный мотор заводится, но глохнет на холостых? Разбираем пошаговый алгоритм диагностики: от топливной системы и зажигания до регулировки холостого хода и типичных болезней моторов Mercury.

1 мин.
Гайды и подбор

Сплав по реке на моторной лодке — подготовка, маршруты и снаряжение

Полный гид по речному путешествию на моторной лодке: популярные маршруты по Волге, Дону и рекам Карелии, расчёт топлива, снаряжение, ночёвки и правила безопасности.

1 мин.
Связаться с нами