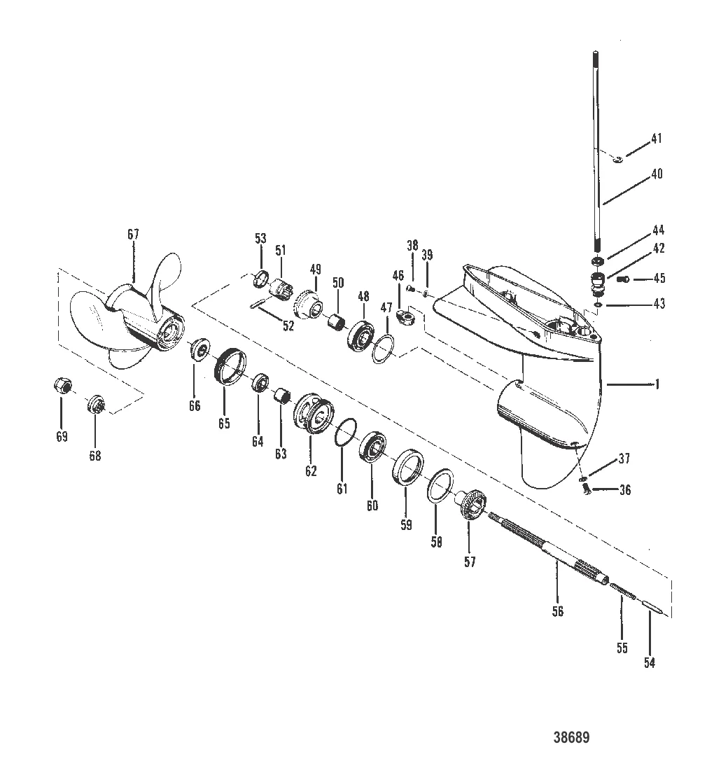
КАРТЕР РЕДУКТОРА (ВАЛ ГРЕБНОГО ВИНТА) — [7147238 & Up] - Canada - Cat.# 90-90694 — купить в Victory Marine
КАРТЕР РЕДУКТОРА (ВАЛ ГРЕБНОГО ВИНТА)
38
39
41
42
44
45
46
47
51
52
53
54
55
57
58
59
60
62
63
65
66

КАРТЕР РЕДУКТОРА (ВАЛ ГРЕБНОГО ВИНТА)

40 208 ₽

36 . 79953Q04 Болт сливной с Прокладкой без магнита (QUICKSILVER)

79953Q2 → 79953A2 → 79953 → 28634 → 20259 → 79953Q04

900 ₽

250 ₽

299 ₽

109 ₽

Уточняйте

Уточняйте

297 ₽

16 050 ₽

350 ₽

897 ₽

Уточняйте

Уточняйте

Уточняйте

35 923 ₽

13 385 ₽

Уточняйте

92 ₽

Уточняйте

Уточняйте

Уточняйте

28 779 ₽

Уточняйте

Уточняйте

8 676 ₽

339 ₽

62 . CARRIER ASSY Mercury 72673T1

72673A1 → 72673T1

22 309 ₽

1 872 ₽

1 173 ₽

1 274 ₽

Уточняйте

7 304 ₽

1 931 ₽

Полезные статьи

Все статьи →
Связаться с нами