КАРТЕР РЕДУКТОРА В СБОРЕ — [6E9-105014 THRU 6E9-150000 (E)] - USA — купить в Victory Marine
КАРТЕР РЕДУКТОРА В СБОРЕ
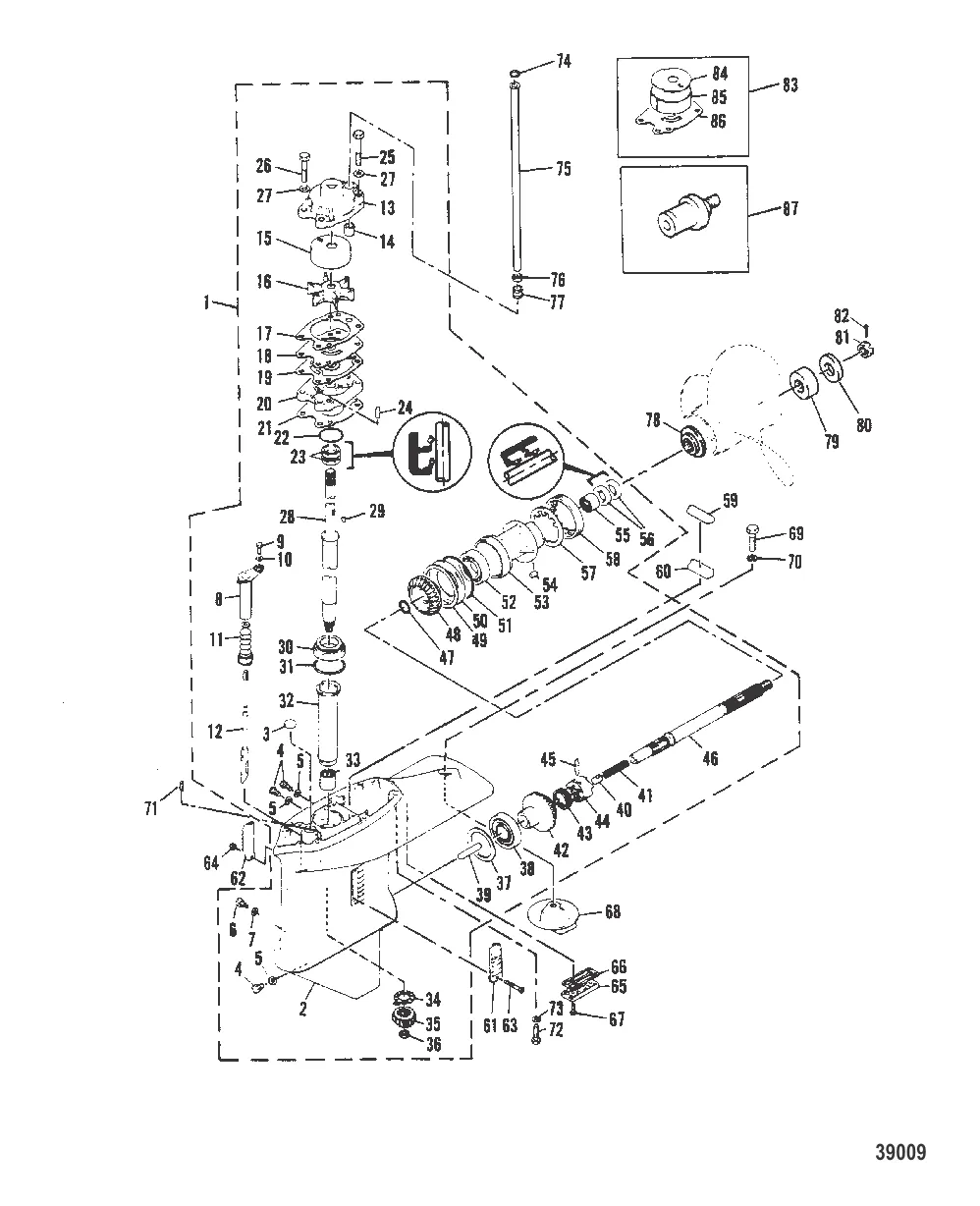
1
2
3
4
5
6
7
8
9
10
11
13
14
15
16
17
18
19
20
21
22
24
25
26
27
28
29
30
31
32
33
34
35
36
37
38
39
40
41
42
43
44
45
46
47
48
49
50
51
52
53
54
55
56
57
58
59
60
61
62
63
64
65
66
67
68
69
70
71
72
73
74
75
76
77
78
79
80
81
82
84
85
86
87

КАРТЕР РЕДУКТОРА В СБОРЕ

Уточняйте

385 914 ₽

82 739 ₽

Уточняйте

732 ₽

471 ₽

Уточняйте

7 . ПРОКЛАДКА Mercury 95610

95610M → 81986M → 95610

1 283 ₽

Уточняйте

9 . БОЛТ Mercury 82423M

82451M → 82423M

Уточняйте

10 . ШАЙБА Mercury 82214M

82199M → 82214M

22 ₽

Уточняйте

Уточняйте

Уточняйте

5 072 ₽

1 706 ₽

Уточняйте

10 587 ₽

722 ₽

Уточняйте

Уточняйте

7 627 ₽

Уточняйте

792 ₽

Уточняйте

25 . БОЛТ Mercury 84057M

82469M → 84057M

Уточняйте

26 . БОЛТ Mercury 85277614

82468M → 85277614

897 ₽

27 . ШАЙБА Mercury 82217M

82202M → 82217M

Уточняйте

27 158 ₽

28 715 ₽

590 ₽

30 . подшипник Mercury 82319T

82319M → 98933M → 82319T

4 565 ₽

Уточняйте

Уточняйте

Уточняйте

Уточняйте

Уточняйте

146 ₽

Уточняйте

168 ₽

164 ₽

Уточняйте

6 733 ₽

Уточняйте

18 184 ₽

Уточняйте

Уточняйте

Уточняйте

Уточняйте

156 ₽

156 ₽

Уточняйте

Уточняйте

161 ₽

Уточняйте

11 643 ₽

2 797 ₽

888 ₽

Уточняйте

42 . GEAR Mercury 83877T

83877M → 83877T

51 802 ₽

134 ₽

35 496 ₽

Уточняйте

46 . ВАЛ Mercury 94531M

83878M → 94531M

68 315 ₽

Уточняйте

48 . GEAR Mercury 83879T

83879M → 83879T

42 740 ₽

Уточняйте

Уточняйте

Уточняйте

Уточняйте

Уточняйте

Уточняйте

264 ₽

533 ₽

Уточняйте

Уточняйте

1 364 ₽

3 190 ₽

11 021 ₽

711 ₽

1 989 ₽

1 654 ₽

Уточняйте

58 . гайка Mercury 8M0059031

81450M → 8M0059031

5 009 ₽

Уточняйте

Уточняйте

1 003 ₽

1 003 ₽

Уточняйте

64 . ГАЙКА Mercury 8528165

81781M → 8528165

108 ₽

758 ₽

182 ₽

67 . ВИНТ Mercury 83870M

82172M → 83870M

Уточняйте

68 . Транцевая плита 83859T

83859M → 81447M → 83859T

8 161 ₽

69 . БОЛТ Mercury 94532M

83860M → 94532M

Уточняйте

70 ₽

70 ₽

72 . БОЛТ Mercury 95416M

82465M → 95416M

Уточняйте

601 ₽

Уточняйте

1 691 ₽

1 896 ₽

Уточняйте

676 ₽

Уточняйте

2 088 ₽

Уточняйте

1 857 ₽

82 . Шплинт 82132M

82131M → 82800M → 82132M

92 ₽

17 321 ₽

Уточняйте

Уточняйте

Уточняйте

87 . PLUG 8M0121335

95633M → 8M0121335

Уточняйте

Полезные статьи

Все статьи →
Связаться с нами