КАРБЮРАТОР (WMC-9/10/11/12/24/25/26/27) — [9378151 THRU 9507380] - Belgium - Cat.# 90-13286 — купить в Victory Marine
КАРБЮРАТОР (WMC-9/10/11/12/24/25/26/27)
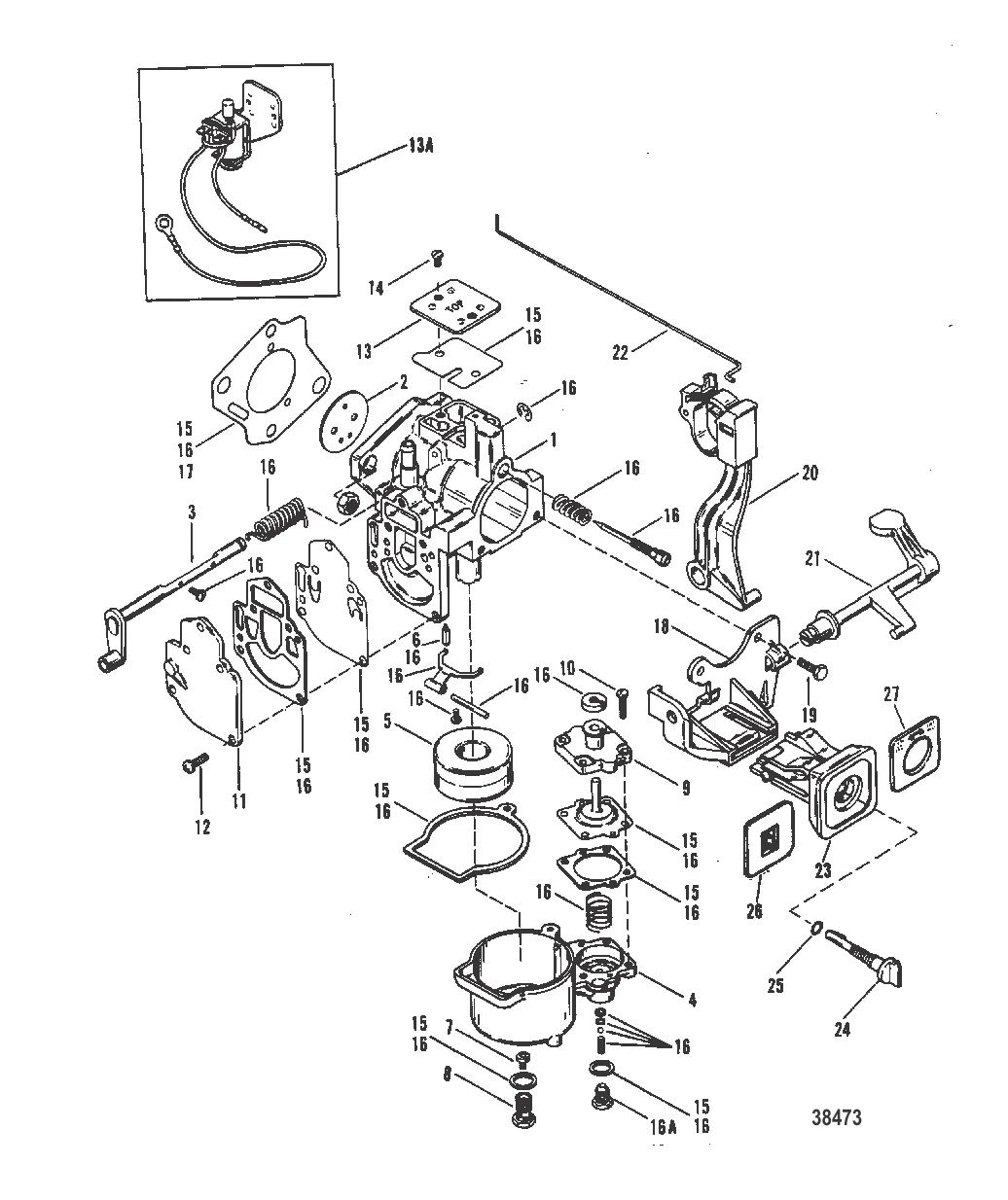
1
2
3
4
5
6
7
8
9
10
11
12
13
14
15
16
17
18
19
20
21
22
23
24
25
26
27

КАРБЮРАТОР (WMC-9/10/11/12/24/25/26/27)

1 . КАРБЮРАТОР Mercury 8677A11

8677A7 → 8677A1 → 8677A11

Уточняйте

1 . комплект карбюратора Mercury 8888A16

8888A7 → 8676A9 → 8676A5 → 8676A1 → 8888A16

Уточняйте

1 . комплект карбюратора Mercury 8889A20

8889A9 → 8889A4 → 8889A1 → 8889A20

Уточняйте

382 ₽

Уточняйте

Уточняйте

Уточняйте

Уточняйте

13 568 ₽

5 . Жиклер 91691

9169 → 91691

1 420 ₽

6 . Впускной клапан 803861

879194048 → 9855 → 9170 → 803861

3 146 ₽

1 409 ₽

2 182 ₽

1 151 ₽

1 108 ₽

238 ₽

Уточняйте

Уточняйте

Уточняйте

8 753 ₽

509 ₽

9 049 ₽

25 632 ₽

15 562 ₽

707 ₽

356 ₽

1 957 ₽

140 ₽

3 476 ₽

Уточняйте

Уточняйте

2 701 ₽

Уточняйте

25 . Кольцо 627021

62702 → 22175 → 627021

171 ₽

Уточняйте

Уточняйте

Полезные статьи

Все статьи →
Связаться с нами