КАРБЮРАТОР В СБОРЕ (WALBRO) — [8063985 & Up] - Belgium - Cat.# 90-13287 — купить в Victory Marine
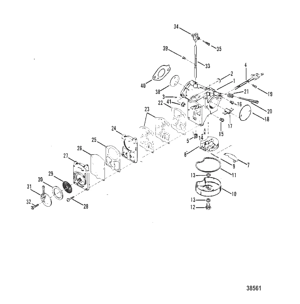
КАРБЮРАТОР В СБОРЕ (WALBRO)
4
8
10
12
14
15
16
17
18
24
27
28
29
30
31
33
34
35
39
40
41

КАРБЮРАТОР В СБОРЕ (WALBRO)

1 . карбюратор Mercury 6517A61

6517A57 → 6517A28 → 6517A25 → 6517A21 → 6517A14 → 6517A61

38 752 ₽

1 . карбюратор Mercury 6517A62

6517A58 → 6517A29 → 6517A62

Уточняйте

Уточняйте

Уточняйте

3 539 ₽

Уточняйте

12 . ВИНТ Mercury 9025

F10205 → 9025

Уточняйте

1 392 ₽

456 ₽

1 194 ₽

1 291 ₽

792 ₽

715 ₽

Уточняйте

269 ₽

842 ₽

617 ₽

1 531 ₽

Уточняйте

1 715 ₽

Уточняйте

Уточняйте

449 ₽

Уточняйте

Уточняйте

40 . ПРОКЛАДКА Mercury 757911

75791 → 64659 → 26891 → 757911

255 ₽

Уточняйте

Полезные статьи

Все статьи →
Гайды и подбор

Безопасность на лодке с детьми — правила, снаряжение, советы

Как безопасно отдыхать на лодке с детьми: требования ГИМС, выбор детского спасательного жилета, правила поведения на борту. Практические советы от опытных судоводителей для семейных поездок на воде.

1 мин.
Сравнения и обзоры

Большой тест лодочных моторов 9.9 л.с. — Mercury, Yamaha, Tohatsu, Suzuki

Подробное сравнение четырёх главных моторов 9.9 л.с.: Mercury F9.9, Yamaha F9.9, Tohatsu MFS 9.9, Suzuki DF9.9. Вес, цена, скорость, расход, надёжность — всё по полочкам.

1 мин.
Гайды и подбор

Солнечная батарея для лодки — зарядка аккумулятора на воде без берега

Разбираемся, какую солнечную панель поставить на лодку, чтобы аккумулятор не сдох посреди водохранилища. Гибкие, жёсткие, складные — считаем ватты, выбираем контроллер и собираем автономную систему.

1 мин.
Связаться с нами