Популярные города
Товаров не найдено, но мы можем привезти под заказ
Нет аккаунта?
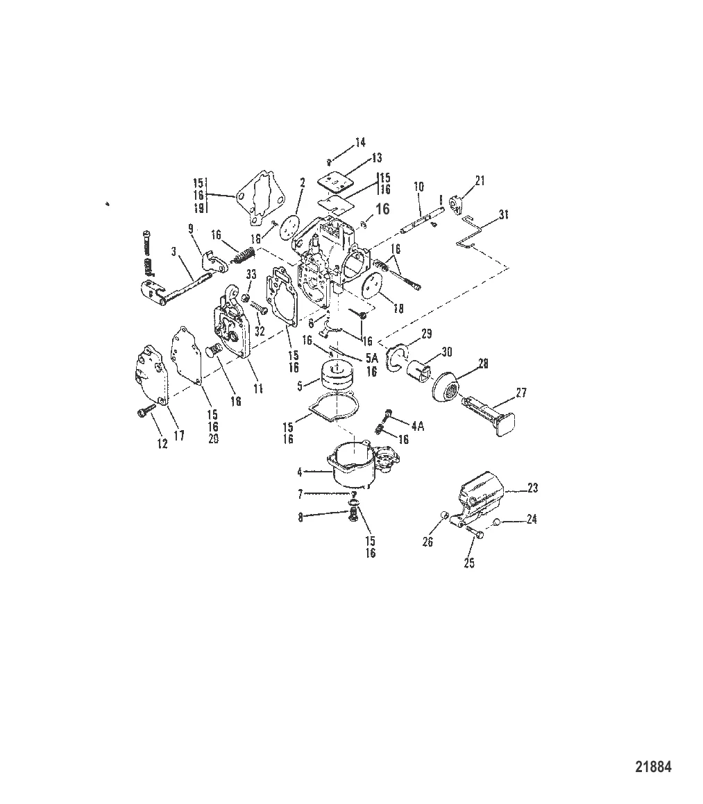
Ремкомплект карбюратора 8237072
19269 → 8237072
15 562 ₽
Разбираемся, какой мотор нужен для выхода на глиссер на ПВХ-лодке. Таблицы мощности по весу, реальные скорости, правильная развесовка и типичные ошибки новичков.
Полный гайд по бортовой удочке для леща: выбор удилища, кивок, оснастка, кормушка, наживки. Как ловить леща с лодки на стоячей воде и слабом течении — практические советы.
Подробный чек-лист снаряжения для рыбалки с лодки: безопасность, навигация, рыболовные принадлежности, комфорт, инструменты и документы. Что обязательно, а без чего можно обойтись.
Контакты
+7 800 555-65-49
Бесплатно по России — нажмите, чтобы позвонить
Написать нам
Перезвоните мне
Оставьте номер — наш эксперт перезвонит и подберёт нужные запчасти
Нажимая кнопку, вы соглашаетесь на обработку персональных данных
Наш эксперт свяжется с вами в ближайшее время
Скидка будет применена к вашему заказу