Карбюратор в сборе (SeaPro/Marathon 10) — [9596000 THRU 9792199] - Belgium - Cat.# 90-81639990 — купить в Victory Marine
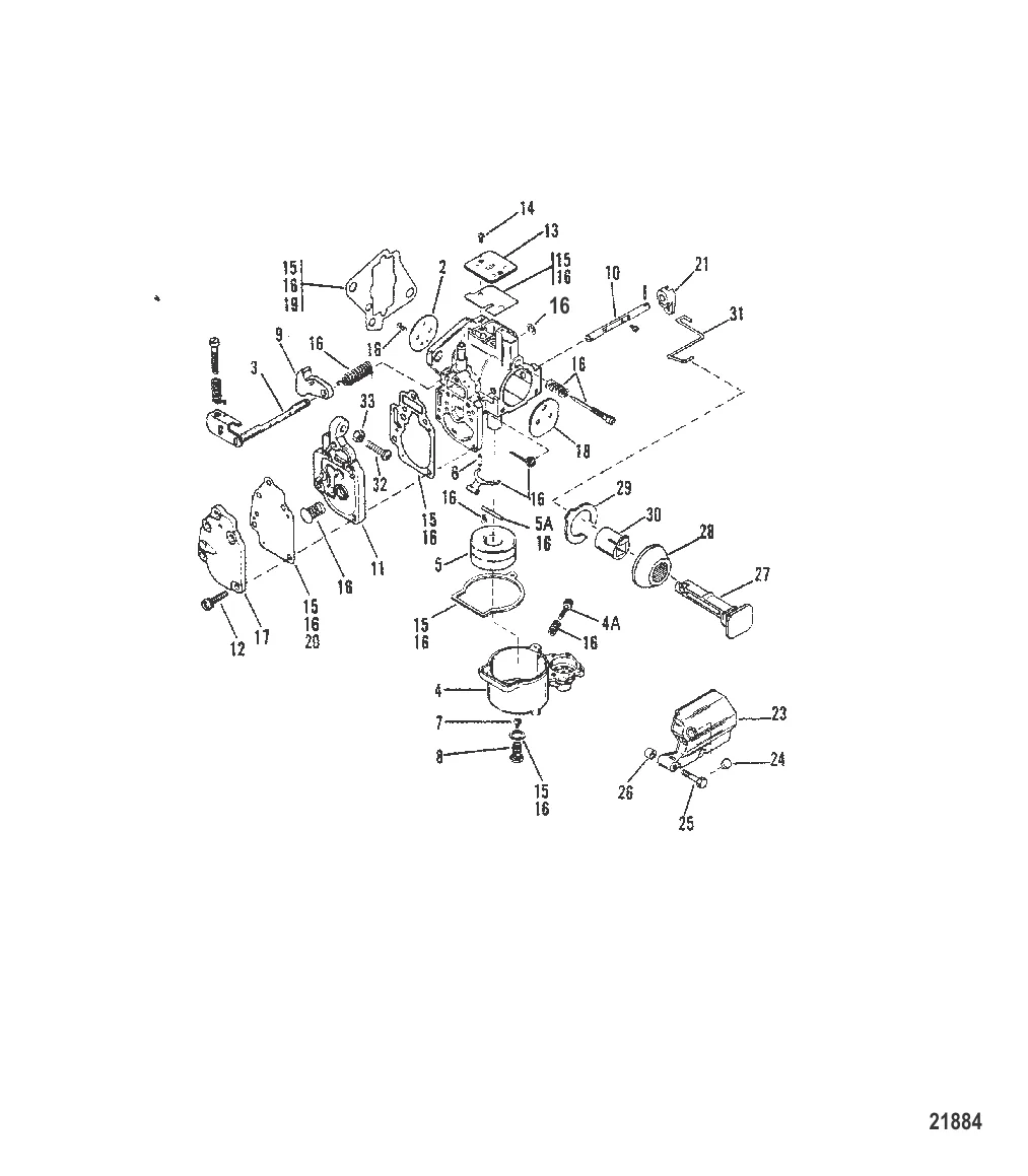
Карбюратор в сборе (SeaPro/Marathon 10)
16

Карбюратор в сборе (SeaPro/Marathon 10)

15 562 ₽

Полезные статьи

Все статьи →
Обслуживание и ремонт

Электросхема лодочного мотора Mercury: популярные модели

Подробный разбор электросхем лодочных моторов Mercury — от простых 9.9/15 двухтактных до мощных 150-200 четырёхтактных. Цветовая маркировка проводов, система зажигания, зарядки и запуска. Диагностика мультиметром, типичные неисправности и когда пора к электрику.

3 мин.
Сравнения и обзоры

Водомёт или винт — что лучше для лодочного мотора и когда что выбирать

Разбираемся, чем водомётная насадка отличается от винта, когда водомёт реально спасает, а когда только жрёт лишний бензин. Сравниваем скорость, расход, обслуживание и цены.

1 мин.
Обслуживание и ремонт

Свечи зажигания для лодочного мотора: подбор, замена, диагностика по нагару

Какие свечи NGK ставить на Mercury и Tohatsu, как менять, момент затяжки и зазор. Диагностика состояния мотора по цвету нагара — от нормы до серьёзных проблем.

1 мин.
Связаться с нами