Популярные города
Товаров не найдено, но мы можем привезти под заказ
Нет аккаунта?
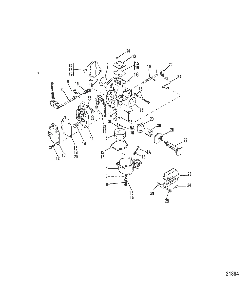
Ремкомплект карбюратора 8237072
19269 → 8237072
15 562 ₽
Что означает плотность ПВХ ткани лодки 750, 850 или 1100 г/м² и как она влияет на прочность, вес и срок службы. Развенчиваем мифы и помогаем выбрать оптимальную плотность для ваших задач.
Разбираем топливную систему лодочного мотора от бака до форсунки: фильтры, шланги, сепараторы, груша подкачки. Артикулы расходников Mercury, борьба с водой и старым бензином.
Подробное сравнение четырёх главных моторов 9.9 л.с.: Mercury F9.9, Yamaha F9.9, Tohatsu MFS 9.9, Suzuki DF9.9. Вес, цена, скорость, расход, надёжность — всё по полочкам.
Контакты
+7 800 555-65-49
Бесплатно по России — нажмите, чтобы позвонить
Написать нам
Перезвоните мне
Оставьте номер — наш эксперт перезвонит и подберёт нужные запчасти
Нажимая кнопку, вы соглашаетесь на обработку персональных данных
Наш эксперт свяжется с вами в ближайшее время
Скидка будет применена к вашему заказу