Карбюратор в сборе — [0C100861 THRU 0C239552] - USA - Cat.# 90-814019 — купить в Victory Marine
Карбюратор в сборе
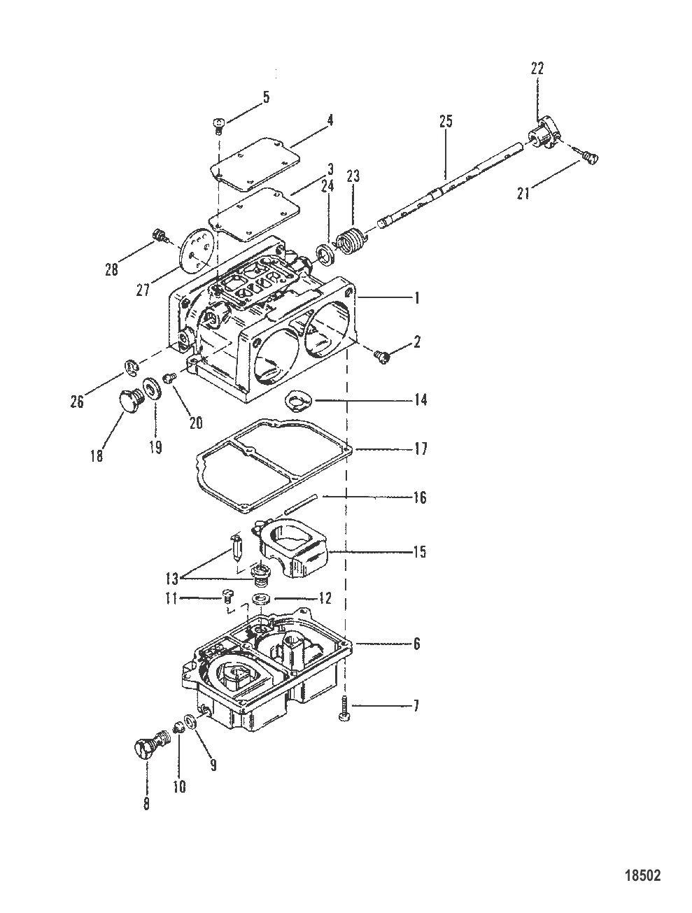
1
2
4
6
9
10
13
15
18
20
21
22
24
25
27
28

Карбюратор в сборе

Уточняйте

Уточняйте

Уточняйте

Уточняйте

Уточняйте

Уточняйте

Уточняйте

Уточняйте

Уточняйте

Уточняйте

Уточняйте

Уточняйте

2 071 ₽

1 160 ₽

1 643 ₽

833 ₽

418 ₽

4 964 ₽

1 668 ₽

1 409 ₽

2 182 ₽

3 679 ₽

15 . ПОПЛАВОК Mercury 9267

7623 → 6024 → 9267

1 571 ₽

1 998 ₽

1 409 ₽

1 666 ₽

2 426 ₽

1 994 ₽

449 ₽

Уточняйте

869 ₽

5 604 ₽

Уточняйте

Уточняйте

Уточняйте

Полезные статьи

Все статьи →
Связаться с нами