КАРБЮРАТОР В СБОРЕ (15) — [9461526 THRU 9792199] - Belgium — купить в Victory Marine
КАРБЮРАТОР В СБОРЕ (15)
2
3
4
5
6
7
8
9
10
11
12
13
14
15
16
17
18
19
20
22
23
24
25
26
27
29
30
32
33
35
36
37
38

КАРБЮРАТОР В СБОРЕ (15)

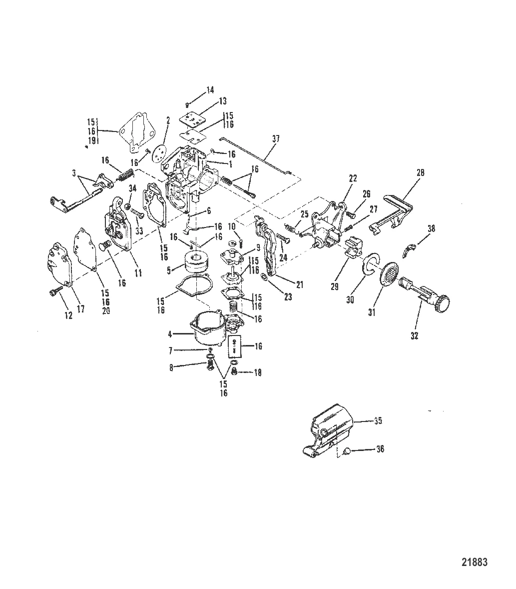
1 . карбюратор Mercury 9726T19

9726T14 → 9726T3 → 9726A3 → 9726A1 → 9726A2 → 9726T19

83 180 ₽

Уточняйте

1 913 ₽

6 509 ₽

13 568 ₽

5 . Жиклер 91691

9169 → 91691

1 420 ₽

6 . Впускной клапан 803861

879194048 → 9855 → 9170 → 803861

3 146 ₽

7 . Жиклер 4215

F10226 → 4215

2 591 ₽

1 151 ₽

1 108 ₽

238 ₽

6 331 ₽

622 ₽

Уточняйте

509 ₽

9 049 ₽

15 562 ₽

4 964 ₽

289 ₽

356 ₽

5 759 ₽

1 175 ₽

4 005 ₽

171 ₽

259 ₽

449 ₽

140 ₽

167 ₽

1 605 ₽

1 124 ₽

647 ₽

2 802 ₽

1 994 ₽

259 ₽

313 ₽

Уточняйте

260 ₽

1 417 ₽

566 ₽

Полезные статьи

Все статьи →
Гайды и подбор

Регистрация лодки и мотора в ГИМС: пошаговая инструкция 2025-2026

Кому нужна регистрация лодки и мотора, какие документы собирать, сколько стоит, как получить права на управление маломерным судном. Штрафы, техосмотр и ответы на частые вопросы — всё в одной статье.

1 мин.
Гайды и подбор

Электрический насос для лодки ПВХ — какой выбрать и не пожалеть

Разбираемся в типах электрических насосов для лодок ПВХ: низкого и высокого давления, двухступенчатые модели. Сравниваем Bravo, Scoprega, Intex. Подскажем, какой насос подойдёт для вашей лодки.

1 мин.
Сравнения и обзоры

Mercury vs Honda — подробное сравнение лодочных моторов по классам

Детальное сравнение лодочных моторов Mercury и Honda в пяти мощностных классах. Разбираем надёжность, расход, доступность запчастей и ликвидность на вторичном рынке.

1 мин.
Связаться с нами