КАРБЮРАТОР (ШТАМПОВ. WALBRO WMB-1/WMB-2 /WMB-3/WMB-4 — [7125388 & Up] - Canada - Cat.# 90-13716 — купить в Victory Marine
КАРБЮРАТОР (ШТАМПОВ. WALBRO WMB-1/WMB-2 /WMB-3/WMB-4
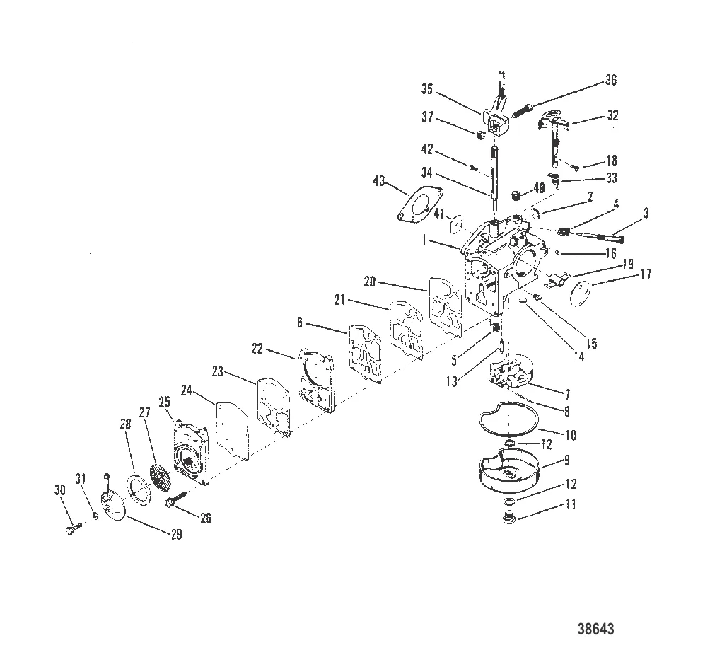
1
7
9
11
13
15
17
22
25
26
27
28
29
32
34
36
37
40
41
42
43

КАРБЮРАТОР (ШТАМПОВ. WALBRO WMB-1/WMB-2 /WMB-3/WMB-4

1 . карбюратор Mercury 8783A14

8783A4 → 5645A3 → 4910A1 → 8783A14

Уточняйте

1 . карбюратор Mercury 8782A13

8782A3 → 6648 → 6062 → 5645A7 → 5645A1 → 4898A1 → 8782A13

Уточняйте

3 539 ₽

Уточняйте

11 . ВИНТ Mercury 9025

F10205 → 9025

Уточняйте

1 392 ₽

521 ₽

Уточняйте

Уточняйте

715 ₽

Уточняйте

269 ₽

842 ₽

617 ₽

1 531 ₽

Уточняйте

Уточняйте

3 260 ₽

1 671 ₽

1 679 ₽

Уточняйте

Уточняйте

Уточняйте

238 ₽

Полезные статьи

Все статьи →
Связаться с нами