Карбюратор (Seapro/Marathon 20/25) — [1B000001 & Up] - USA — купить в Victory Marine
Карбюратор (Seapro/Marathon 20/25)
2
3
4
5
6
7
8
9
10
11
12
13
14
15
16
17
18
19
20
21
22
23
24
25
26
27
28
29
30

Карбюратор (Seapro/Marathon 20/25)

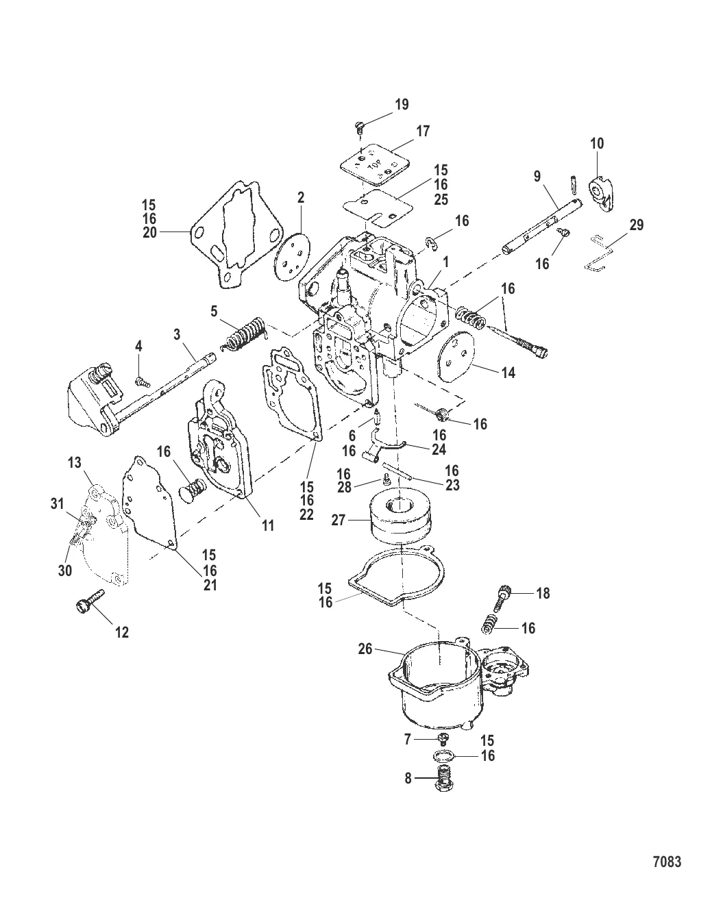
1 . КАРБЮРАТОР (WMC-86) Mercury 823907T13

823907T6 → 823907A6 → 823907A3 → 823907T13

Уточняйте

1 . КАРБЮРАТОР (WMC-88) Mercury 817405T20

817405T12 → 817405A12 → 817405A10 → 817405T20

55 999 ₽

1 . КАРБЮРАТОР (WMC-85A) Mercury 823907T12

823907T9 → 823907T5 → 823907A5 → 823907A4 → 823907T12

43 759 ₽

879 ₽

Уточняйте

5 915 ₽

147 ₽

Уточняйте

6 . Впускной клапан 803861

879194048 → 9855 → 9170 → 803861

3 146 ₽

2 182 ₽

1 409 ₽

1 151 ₽

2 664 ₽

226 ₽

6 331 ₽

622 ₽

2 760 ₽

644 ₽

9 049 ₽

15 562 ₽

Уточняйте

1 040 ₽

509 ₽

356 ₽

5 759 ₽

644 ₽

569 ₽

901 ₽

992 ₽

Уточняйте

27 . Жиклер 91691

9169 → 91691

1 420 ₽

259 ₽

2 016 ₽

152 ₽

313 ₽

Полезные статьи

Все статьи →
Связаться с нами