Карбюратор (SeaPro/Marathon-10/15) — [1B000001 & Up] - USA — купить в Victory Marine
Карбюратор (SeaPro/Marathon-10/15)
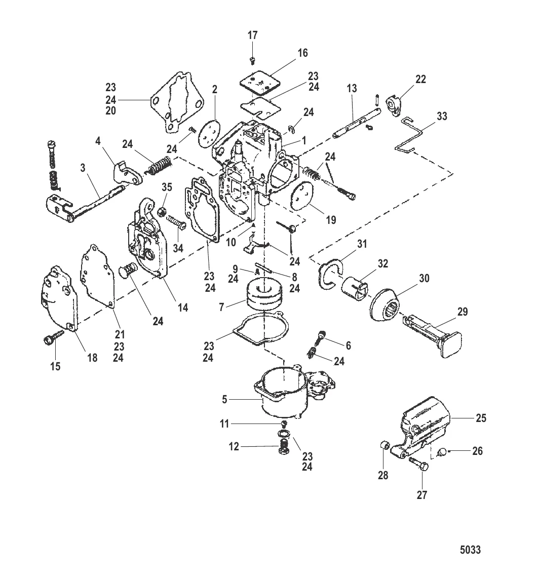
2
3
4
5
6
7
8
9
10
11
12
13
14
15
16
17
18
19
20
21
22
23
24
25
26
27
28
29
31
32
33
34

Карбюратор (SeaPro/Marathon-10/15)

1 . КАРБЮРАТОР (WMC-84A) Mercury 851908T06

851908T4 → 851908T2 → 851908A2 → 851908A1 → 851908T06

66 678 ₽

1 . КАРБЮРАТОР (WMC-82A) Mercury 817404T09

817404T7 → 817404A7 → 817404A6 → 817404A5 → 817404T09

36 157 ₽

Уточняйте

1 913 ₽

6 509 ₽

9 487 ₽

Уточняйте

Уточняйте

1 040 ₽

7 . Жиклер 91691

9169 → 91691

1 420 ₽

569 ₽

259 ₽

10 . Впускной клапан 803861

879194048 → 9855 → 9170 → 803861

3 146 ₽

1 409 ₽

1 831 ₽

1 151 ₽

2 664 ₽

6 331 ₽

622 ₽

Уточняйте

509 ₽

4 964 ₽

644 ₽

356 ₽

5 759 ₽

226 ₽

9 049 ₽

15 562 ₽

4 544 ₽

260 ₽

258 ₽

28 . INSERT Mercury 41750T

41750 → 41750T

269 ₽

3 718 ₽

2 802 ₽

647 ₽

2 156 ₽

2 016 ₽

152 ₽

313 ₽

Полезные статьи

Все статьи →
Связаться с нами