Популярные города
Товаров не найдено, но мы можем привезти под заказ
Нет аккаунта?
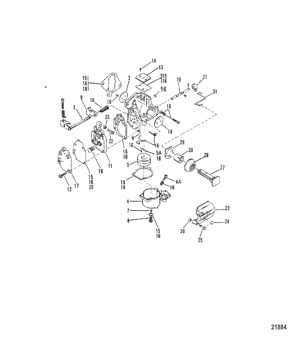
Ремкомплект карбюратора 8237072
19269 → 8237072
15 562 ₽
Шаг, диаметр, лопасти, алюминий или нержавейка — объясняем простым языком, как выбрать винт и не угробить мотор.
Как выбрать спасательный жилет, который и ГИМС устроит, и рыбачить в нём удобно. Отличие спасательного от страховочного, размеры, плавучесть, что проверяют инспекторы.
Подробный гайд по ловле щуки на кружки: устройство снасти, оснастка, выбор и насадка живца, тактика расстановки и управления. Традиционная русская техника, которая работает безотказно.
Контакты
+7 800 555-65-49
Бесплатно по России — нажмите, чтобы позвонить
Написать нам
Перезвоните мне
Оставьте номер — наш эксперт перезвонит и подберёт нужные запчасти
Нажимая кнопку, вы соглашаетесь на обработку персональных данных
Наш эксперт свяжется с вами в ближайшее время
Скидка будет применена к вашему заказу