Популярные города
Товаров не найдено, но мы можем привезти под заказ
Нет аккаунта?
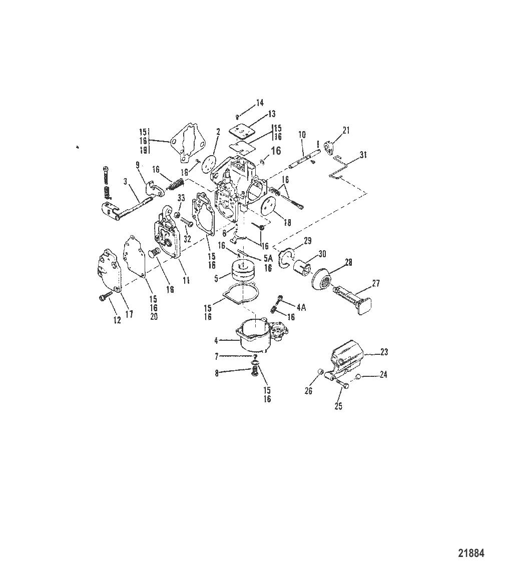
Ремкомплект карбюратора 8237072
19269 → 8237072
15 562 ₽
Чем картплоттер отличается от GPS-навигатора, какой размер экрана нужен, что выбрать из Lowrance, Garmin и Humminbird. Разбираемся в картах, функциях и ценах без маркетинговой воды.
Рыбалка на Каме с лодки: лучшие участки от Перми до Камского Устья, виды рыб и сезонные рекомендации.
Управление лодкой в нетрезвом виде — серьёзное нарушение с крупными штрафами и лишением прав. Разбираем размеры штрафов, порядок проверки и последствия для судоводителя в 2026 году.
Контакты
+7 800 555-65-49
Бесплатно по России — нажмите, чтобы позвонить
Написать нам
Перезвоните мне
Оставьте номер — наш эксперт перезвонит и подберёт нужные запчасти
Нажимая кнопку, вы соглашаетесь на обработку персональных данных
Наш эксперт свяжется с вами в ближайшее время
Скидка будет применена к вашему заказу