Популярные города
Товаров не найдено, но мы можем привезти под заказ
Нет аккаунта?
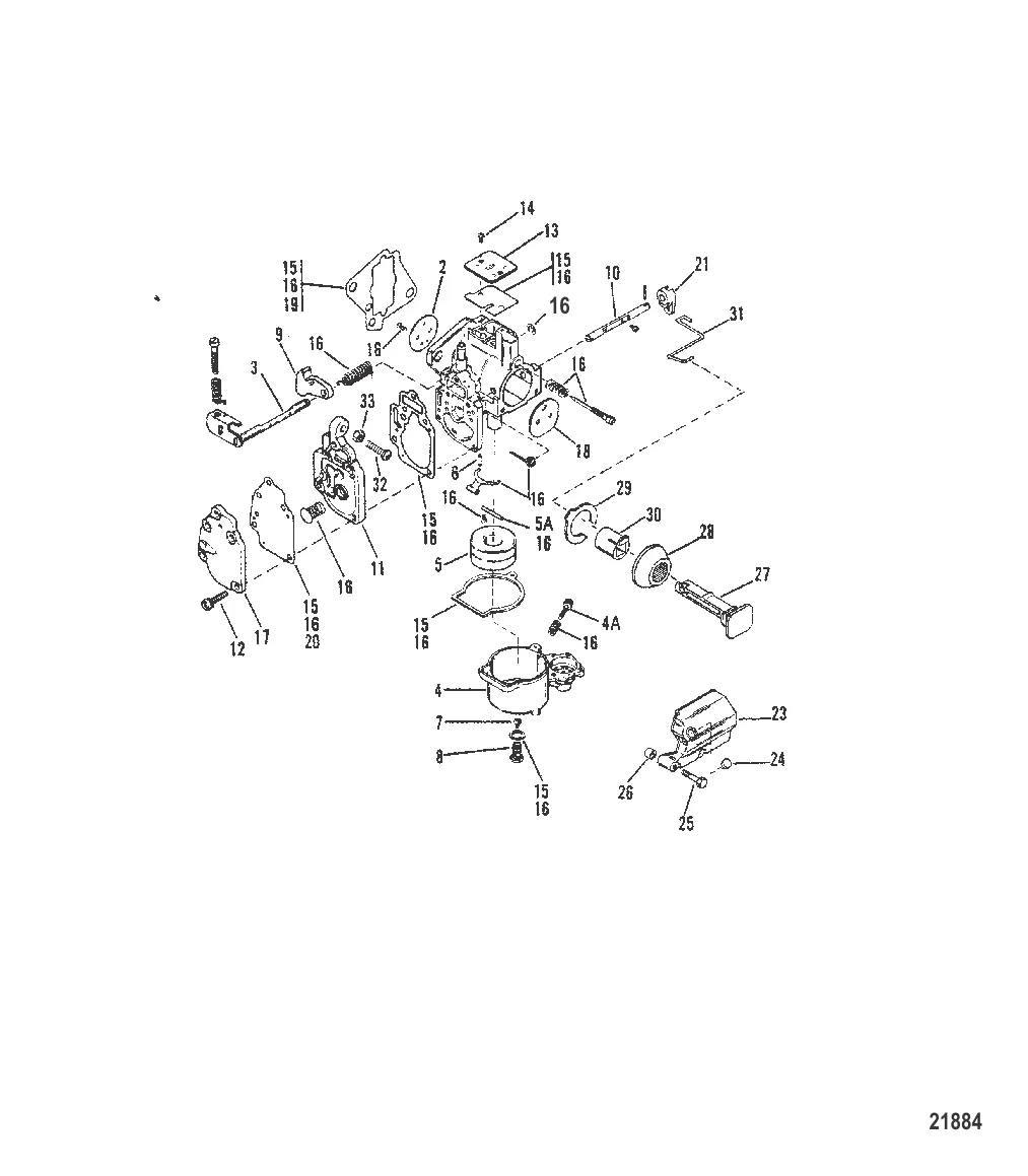
Ремкомплект карбюратора 8237072
19269 → 8237072
15 562 ₽
Всё о рыбалке на Рыбинке в 2026 году: где ловить судака и щуку, лучшие базы, сезонные особенности и правила.
Разбираемся, какое масло лить в двухтактные и четырёхтактные Mercury. Оригинал, аналоги, объёмы, интервалы замены — всё по полочкам.
Делаем прикормку сами: проверенные рецепты на леща, карася и плотву. Базовые компоненты, ароматизаторы и правильная консистенция.
Контакты
+7 800 555-65-49
Бесплатно по России — нажмите, чтобы позвонить
Написать нам
Перезвоните мне
Оставьте номер — наш эксперт перезвонит и подберёт нужные запчасти
Нажимая кнопку, вы соглашаетесь на обработку персональных данных
Наш эксперт свяжется с вами в ближайшее время
Скидка будет применена к вашему заказу