КАРБЮРАТОР (ROCHESTER) — 1983-1986 [6229718 THRU 0B531853] - Cat.# 90-41261 — купить в Victory Marine
КАРБЮРАТОР (ROCHESTER)
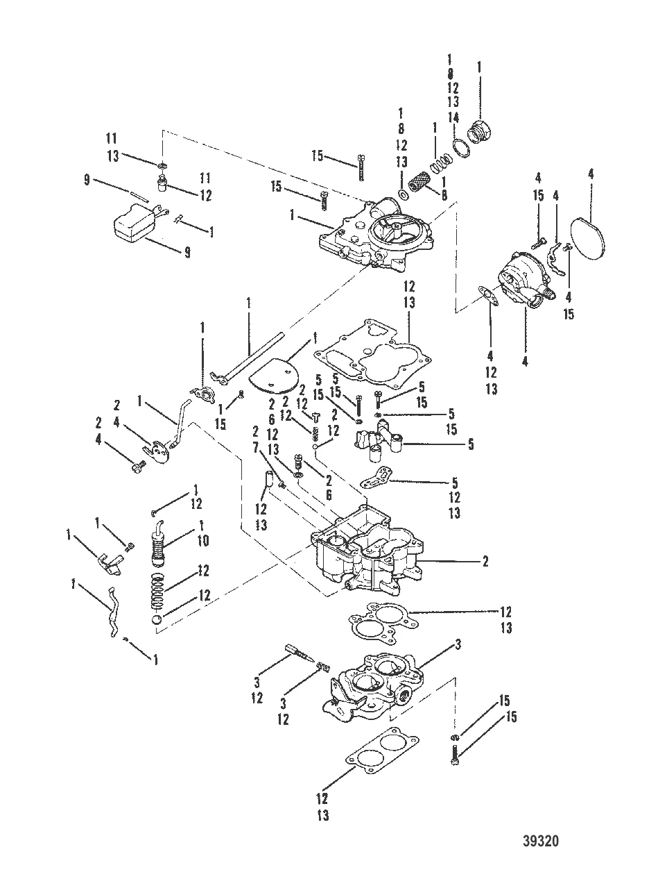
1
2
5
6
7
8
9
10
11
13
14
15

КАРБЮРАТОР (ROCHESTER)

Уточняйте

Уточняйте

Уточняйте

Уточняйте

Уточняйте

Уточняйте

Уточняйте

1 253 ₽

Уточняйте

2 410 ₽

Уточняйте

6 050 ₽

494 ₽

Уточняйте

Полезные статьи

Все статьи →
Связаться с нами