КАРБЮРАТОР (MERCARB) (165-170-3.7L) — 1988-1989 [0B775249 & Up] - Cat.# 90-12488 — купить в Victory Marine
КАРБЮРАТОР (MERCARB) (165-170-3.7L)
3
5
6
7
8
9
10
11
12
13
14
17
18
19
20
21
22
23
24
26
27
28
29
31
32
33

КАРБЮРАТОР (MERCARB) (165-170-3.7L)

306 ₽

Уточняйте

737 ₽

15 676 ₽

526 ₽

Уточняйте

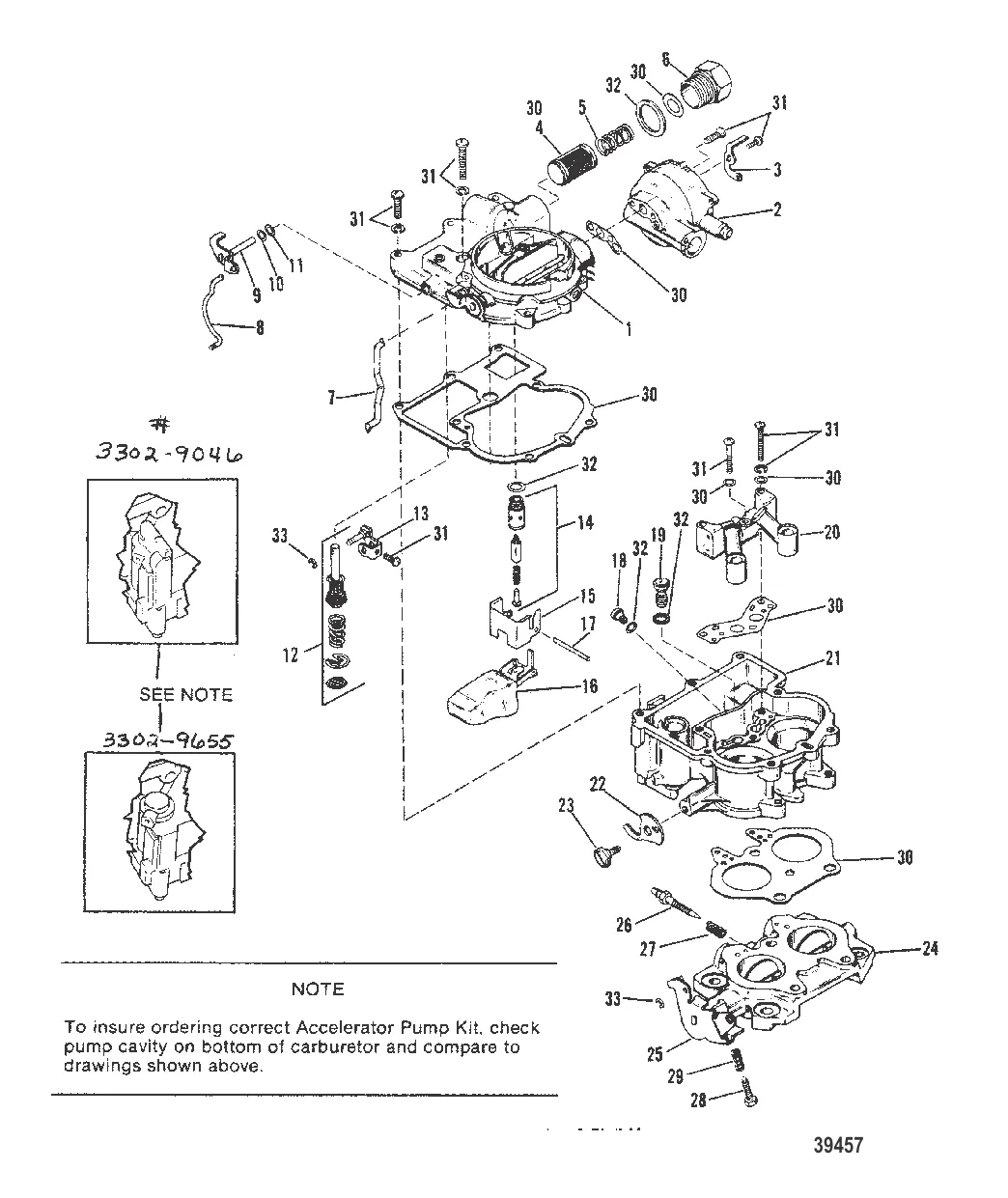
9 . РЫЧАГ Mercury 823725

810915 → 823725

4 624 ₽

99 ₽

Уточняйте

14 405 ₽

12 . Помпа 96551

9655 → 96551

18 616 ₽

831 ₽

5 648 ₽

915 ₽

4 510 ₽

742 ₽

1 955 ₽

3 075 ₽

Уточняйте

Уточняйте

1 667 ₽

561 ₽

Уточняйте

4 584 ₽

455 ₽

914 ₽

75 ₽

10 526 ₽

767 ₽

1 316 ₽

261 ₽

Полезные статьи

Все статьи →
Связаться с нами