Карбюратор (Mercarb) — [0M615000 THRU 0W300012] — купить в Victory Marine
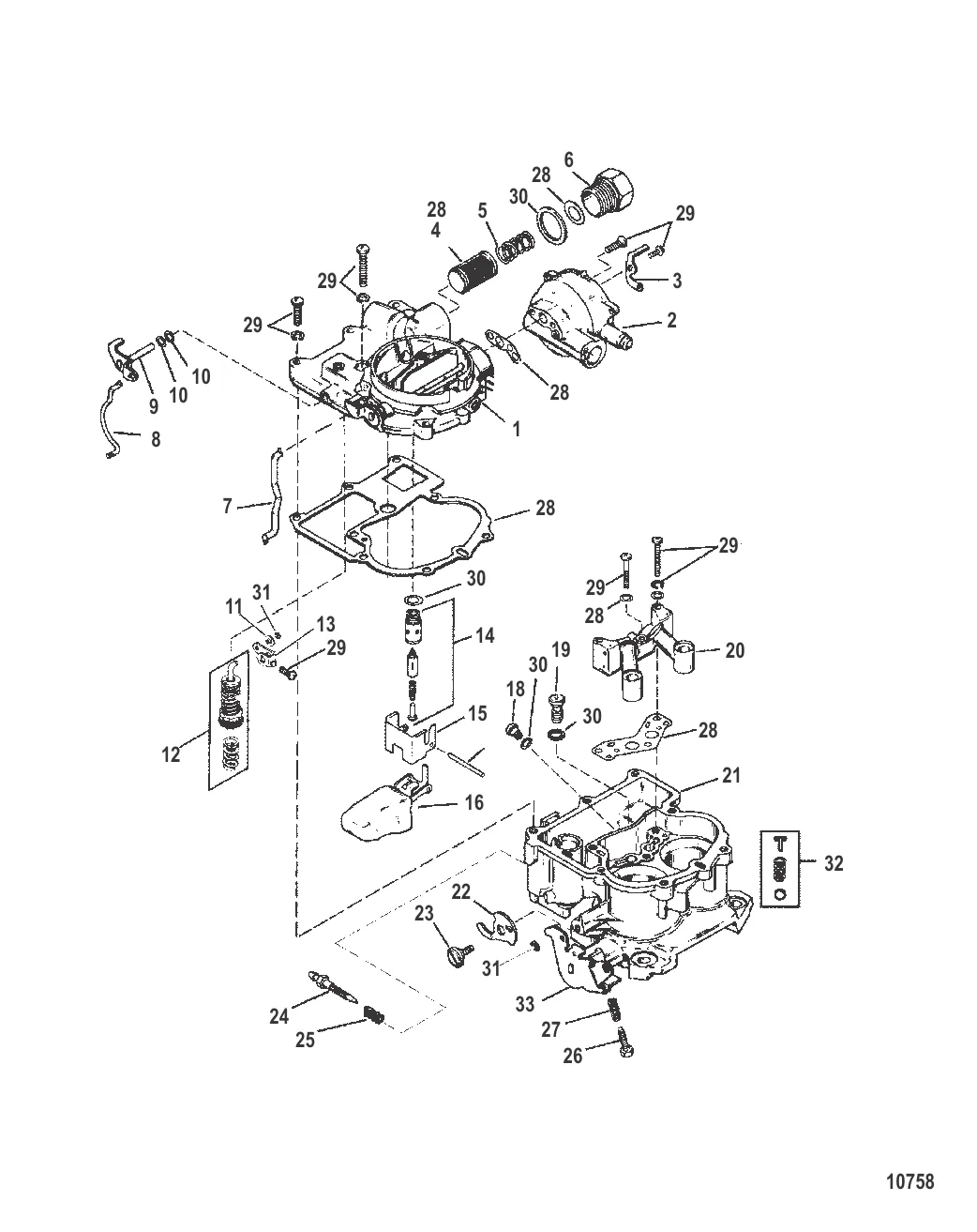
Карбюратор (Mercarb)
3
5
6
7
8
9
10
11
12
13
14
18
19
20
21
22
23
24
25
26
27
29
30
31
32

Карбюратор (Mercarb)

306 ₽

Уточняйте

737 ₽

15 676 ₽

526 ₽

8 . ШТОК Mercury 8109201

809479 → 8109201

977 ₽

3 820 ₽

99 ₽

Уточняйте

12 . Помпа 96551

9655 → 96551

18 616 ₽

1 659 ₽

7 074 ₽

915 ₽

4 510 ₽

1 958 ₽

2 907 ₽

20 567 ₽

Уточняйте

1 667 ₽

561 ₽

4 584 ₽

455 ₽

914 ₽

75 ₽

10 526 ₽

1 306 ₽

1 316 ₽

261 ₽

1 237 ₽

5 549 ₽

Полезные статьи

Все статьи →
Связаться с нами