Карбюратор Четырехдиффузорный, Bravo — [1G400000 & Up] — купить в Victory Marine
Карбюратор Четырехдиффузорный, Bravo
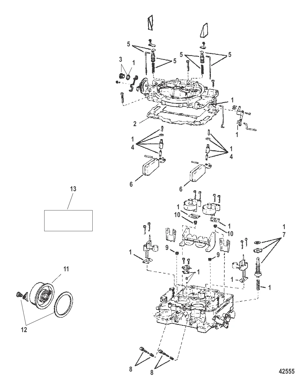
1
2
3
4
5
6
8
9
10
11
13

Карбюратор Четырехдиффузорный, Bravo

24 887 ₽

820 ₽

1 457 ₽

3 401 ₽

Уточняйте

3 556 ₽

Уточняйте

8 . SCREW-IDLE/SPRING 8M0154265

811539 → 8M0154265

3 545 ₽

Уточняйте

Уточняйте

11 . CHOKE KIT Mercury 8M0120194

809066 → 8M0120194

24 244 ₽

Уточняйте

559 ₽

Полезные статьи

Все статьи →
Гайды и подбор

Штрафы за управление лодкой в нетрезвом виде в 2026 году

Управление лодкой в нетрезвом виде — серьёзное нарушение с крупными штрафами и лишением прав. Разбираем размеры штрафов, порядок проверки и последствия для судоводителя в 2026 году.

1 мин.
Обслуживание и ремонт

Мотор глохнет на холостых оборотах — пошаговая диагностика

Лодочный мотор заводится, но глохнет на холостых? Разбираем пошаговый алгоритм диагностики: от топливной системы и зажигания до регулировки холостого хода и типичных болезней моторов Mercury.

1 мин.
Обслуживание и ремонт

Карбюратор лодочного мотора: чистка, регулировка, типичные проблемы

Как почистить и отрегулировать карбюратор на лодочном моторе Mercury, Tohatsu, Yamaha 5-30 л.с. Разборка, промывка жиклёров, замена ремкомплекта, настройка холостого хода — всё по шагам.

1 мин.
Связаться с нами