Карбюратор (10/XR/Magnum 10/Viking) — [0G760300 THRU 0T979999] - USA — купить в Victory Marine
Карбюратор (10/XR/Magnum 10/Viking)
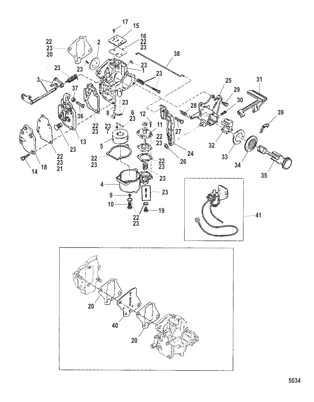
3
4
5
6
7
9
10
11
12
13
14
15
16
17
18
19
21
22
23
25
26
27
28
29
32
33
36
38
39
40

Карбюратор (10/XR/Magnum 10/Viking)

1 . КАРБЮРАТОР (WMC-83) Mercury 9726T18

9726T15 → 9726T11 → 9726T5 → 9726A5 → 9726A4 → 9726T18

62 692 ₽

1 . КАРБЮРАТОР (WMC-81) Mercury 827005T08

827005T5 → 827005T2 → 827005A2 → 827005A1 → 827005T08

Уточняйте

1 913 ₽

Уточняйте

9 487 ₽

6 509 ₽

13 568 ₽

5 . Жиклер 91691

9169 → 91691

1 420 ₽

569 ₽

259 ₽

8 . Впускной клапан 803861

879194048 → 9855 → 9170 → 803861

3 146 ₽

1 831 ₽

1 409 ₽

1 151 ₽

4 045 ₽

238 ₽

6 331 ₽

622 ₽

Уточняйте

992 ₽

509 ₽

4 964 ₽

289 ₽

356 ₽

5 759 ₽

9 049 ₽

15 562 ₽

1 175 ₽

4 005 ₽

171 ₽

259 ₽

449 ₽

140 ₽

167 ₽

1 605 ₽

1 124 ₽

647 ₽

2 802 ₽

1 994 ₽

152 ₽

313 ₽

1 417 ₽

566 ₽

566 ₽

8 753 ₽

Полезные статьи

Все статьи →
Связаться с нами