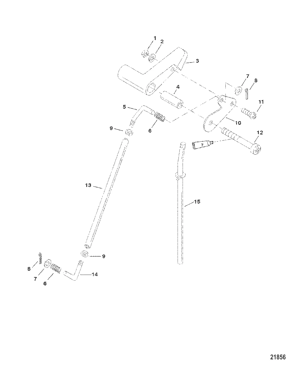
Jet Linkage (S/N 0G157846 & Up) — [0G044027 THRU 0G760299] - USA — купить в Victory Marine
Jet Linkage (S/N 0G157846 & Up)
1
2
3
4
5
6
8
10
11
12
13
14
15

Jet Linkage (S/N 0G157846 & Up)

1 679 ₽

2 . Шайба 26996

20040 → 26996

140 ₽

1 326 ₽

Уточняйте

Уточняйте

3 492 ₽

302 ₽

152 ₽

530 ₽

297 ₽

3 998 ₽

2 015 ₽

2 980 ₽

8 281 ₽

2 861 ₽

Уточняйте

Полезные статьи

Все статьи →
Связаться с нами