INTAKE MANIFOLD AND FRONT COVER OLD DESIGN — 1987 [0B527955 THRU 0B775129] - Cat.# 90-17468 — купить в Victory Marine
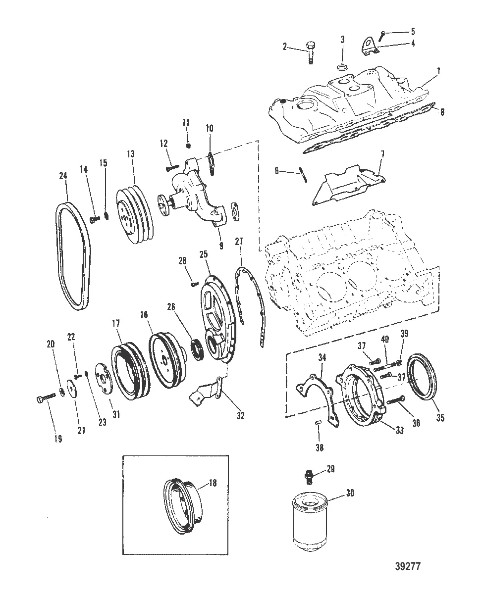
INTAKE MANIFOLD AND FRONT COVER OLD DESIGN
1
2
3
4
5
7
9
11
12
14
15
16
17
19
20
21
22
23
25
26
27
28
29
31
32
33
35
36
37
38
39
40

INTAKE MANIFOLD AND FRONT COVER OLD DESIGN

102 846 ₽

Уточняйте

2 . ВИНТ Mercury 802655

11975 → 802655

308 ₽

2 . ВИНТ (0.375-16 x 1.00) Mercury 11976

35169 → FI1101095 → 11976

664 ₽

1 094 ₽

Уточняйте

Уточняйте

247 ₽

Уточняйте

32 243 ₽

390 ₽

915 ₽

Уточняйте

12 . Болт 32132

35788 → 35343 → 32132

311 ₽

316 ₽

Уточняйте

Уточняйте

109 ₽

216 ₽

Уточняйте

17 . шкив Mercury 33863T

33863 → 33863T

36 786 ₽

18 482 ₽

19 . БОЛТ (2") Mercury 72626

FI1100727 → F9428643 → 72626

Уточняйте

20 . Шайба 39131

FI1100158 → 39131

109 ₽

21 . ШАЙБА Mercury 35332001

35332 → FI1100101 → F3739422 → 35332001

1 638 ₽

455 ₽

23 . Шайба 35048

37459 → 27969 → 35048

171 ₽

4 618 ₽

35 383 ₽

26 . Сальник 97335

11973 → 97335

6 869 ₽

599 ₽

28 . ВИНТ Mercury 8M0040582

35366 → 14762 → 8M0040582

1 705 ₽

4 104 ₽

1 600 ₽

Уточняйте

32 . СТРЕЛКА Mercury 75435A1

FI1101059 → 75435A1

2 492 ₽

32 377 ₽

1 600 ₽

2 896 ₽

36 . БОЛТ Mercury 8M0064241

14243 → 8M0064241

552 ₽

2 625 ₽

530 ₽

39 . ГАЙКА Mercury 11996

FI1101239 → 11996

1 462 ₽

1 720 ₽

Полезные статьи

Все статьи →
Связаться с нами