Головка цилиндра и крышка коромысла — 7.4L MIE С HURTH GM 454 V-8 — купить в Victory Marine
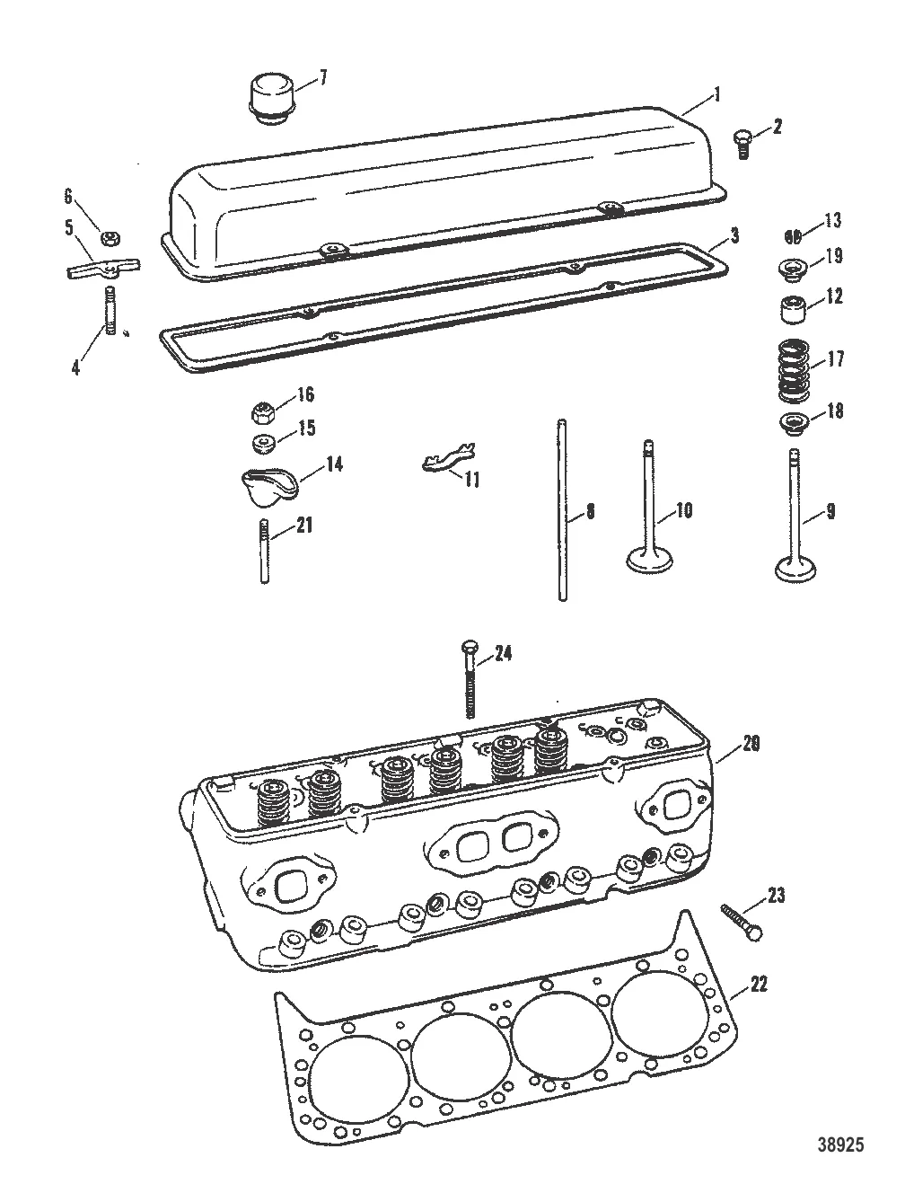
Головка цилиндра и крышка коромысла
1
2
3
4
5
6
7
8
9
10
11
12
13
14
15
16
17
18
19
20
21
22
23
24

Головка цилиндра и крышка коромысла

1 . КРЫШКА Mercury 17671

75592 → 66207 → 59969 → 17671

Уточняйте

Уточняйте

926 ₽

4 . ШПИЛЬКА Mercury 11995

FI1101237 → 11995

Уточняйте

Уточняйте

Уточняйте

6 . ГАЙКА Mercury 8M0098315

8167301 → 8M0098315

446 ₽

393 ₽

8 . ШТОК Mercury 75589

FI1101109 → F346280 → 75589

1 443 ₽

8 . ШТОК Mercury 75590

FI1101110 → F346282 → 75590

2 000 ₽

9 . КЛАПАН Mercury 67861

FI1101201 → F6263732 → 67861

Уточняйте

Уточняйте

10 . КЛАПАН Впуск Mercury 49134

FI1101250 → FI1100963 → 49134

2 525 ₽

10 . КЛАПАН Mercury 49135

FI1101252 → F3933104 → 49135

Уточняйте

Уточняйте

365 ₽

13 . КЛЮЧ Mercury 54530

37529 → 54530

746 ₽

14 . ARM Mercury 19241

72609 → 19241

Уточняйте

3 515 ₽

16 . ГАЙКА Mercury 49119

FI1100956 → 49119

Уточняйте

2 588 ₽

Уточняйте

19 . ПРОБКА Mercury 14753

FI1101347 → 14753

Уточняйте

Уточняйте

21 . ШПИЛЬКА Mercury 49133

FI1101212 → 49133

Уточняйте

12 289 ₽

Уточняйте

Уточняйте

Полезные статьи

Все статьи →
Связаться с нами