Головка цилиндра — [0T409000 THRU 1B226999] - USA — купить в Victory Marine
Головка цилиндра
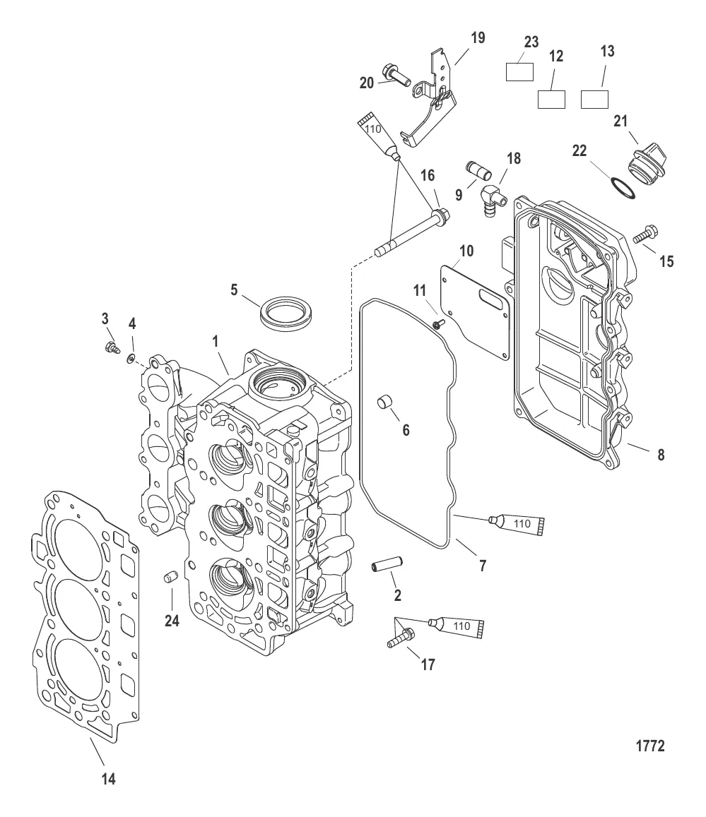
1
2
3
4
6
7
8
9
10
11
14
15
16
17
19
20
21
22
23
24

Головка цилиндра

Уточняйте

239 510 ₽

353 ₽

482 ₽

4 . ШАЙБА Mercury 859768

893586 → 859768

451 ₽

4 500 ₽

860 ₽

7 . SEAL 8M0162934

893898 → 8M0162934

2 014 ₽

8 . КРЫШКА В СБОРЕ Mercury 893693A04

893693A03 → 834779A1 → 893693A04

9 908 ₽

1 096 ₽

195 ₽

205 ₽

5 182 ₽

15 . ВИНТ (M6 x 1.0 x 20) Mercury 8M4503518

40011128 → 1994020 → 8M4503518

394 ₽

1 219 ₽

368 ₽

1 316 ₽

19 . КРОНШТЕЙН Mercury 830294T1

8302941 → 830294 → 830294T1

10 609 ₽

379 ₽

21 . Пробка 859578A1

825490 → 859578A1

782 ₽

500 ₽

Уточняйте

413 ₽

Полезные статьи

Все статьи →
Связаться с нами