Головка цилиндра — [0W090000 THRU 0W389999] — купить в Victory Marine
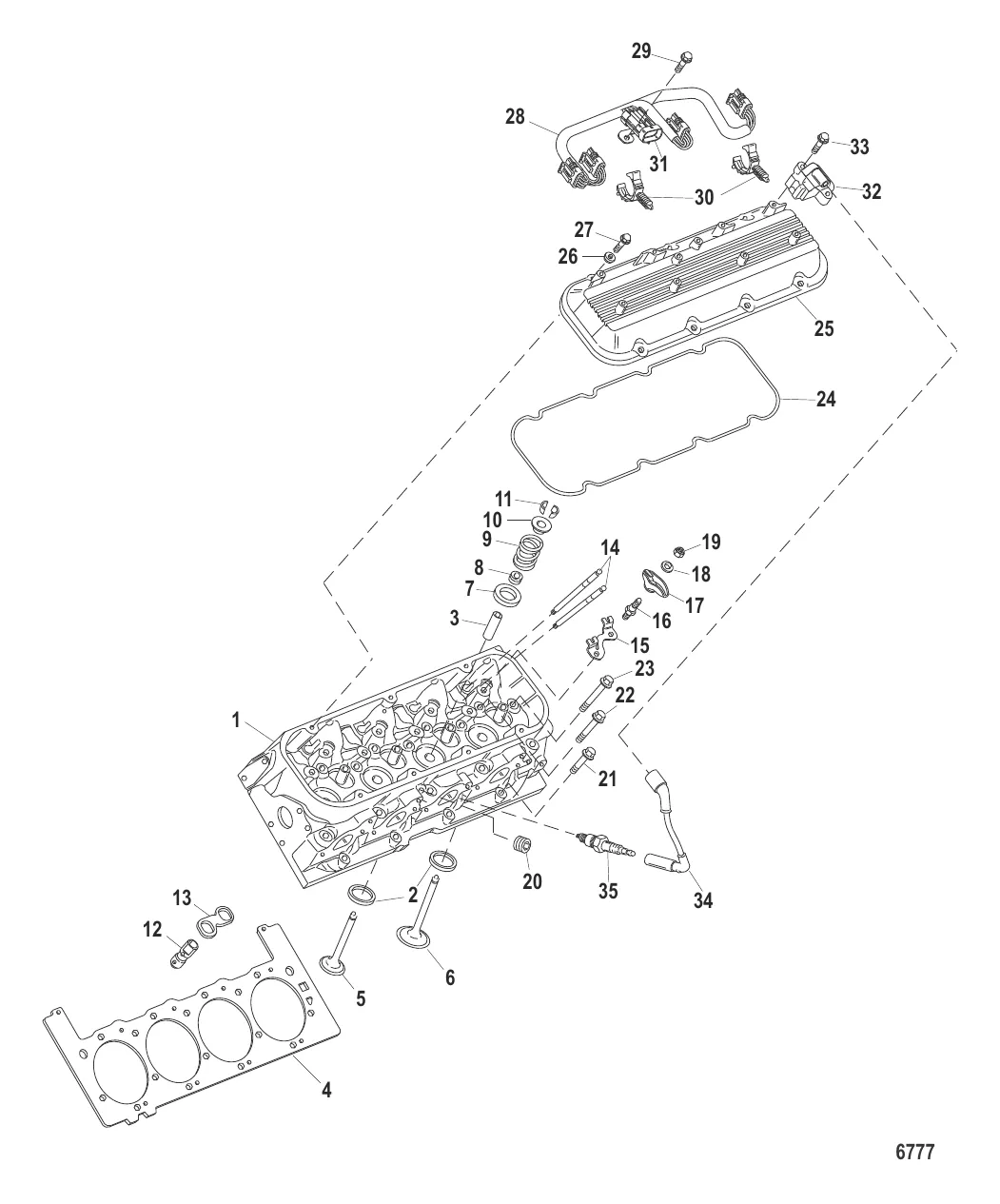
Головка цилиндра
1
3
4
5
6
7
8
9
10
11
12
13
14
15
16
17
18
19
20
21
22
23
24
25
26
27
28
29
30
31
32
33
34

Головка цилиндра

1 . HEAD CYLINDR-PORT Mercury 8M0084533

881685001 → 8M0084533

223 942 ₽

128 390 ₽

Уточняйте

24 766 ₽

25 036 ₽

8 608 ₽

11 717 ₽

20 341 ₽

12 769 ₽

14 500 ₽

18 453 ₽

18 536 ₽

15 438 ₽

6 078 ₽

2 306 ₽

4 500 ₽

2 256 ₽

11 . КЛЮЧ Mercury 54530

37529 → 54530

746 ₽

18 017 ₽

690 ₽

6 453 ₽

6 141 ₽

1 698 ₽

4 855 ₽

17 . ARM Mercury 881687T

881687 → 881687T

13 258 ₽

3 515 ₽

1 169 ₽

1 094 ₽

814 ₽

811 ₽

Уточняйте

8 286 ₽

52 469 ₽

2 957 ₽

3 320 ₽

28 . HARNESS ASSEMBLY 8M0143829

891886001 → 8M0143829

10 020 ₽

29 . BOLT 8M0157899

881648 → 8M0157899

4 057 ₽

968 ₽

11 280 ₽

32 . COIL-IGNITION 8M0178581

889925 → 8M0178581

25 594 ₽

2 012 ₽

14 923 ₽

72 000 ₽

30 523 ₽

3 450 ₽

Полезные статьи

Все статьи →
Связаться с нами