Генератор (Mando) — 5.7L MIE GM 350 V-8 — купить в Victory Marine
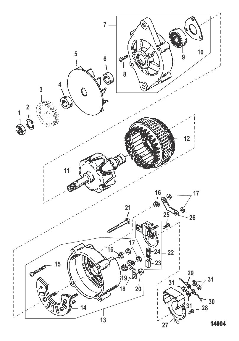
Генератор (Mando)
1
2
3
4
5
6
7
8
9
10
11
12
13
14
15
16
18
19
20
21
22
23
24
25
26
27
28
29
30
31

Генератор (Mando)

359 ₽

89 ₽

3 . ШКИВ Mercury 834990T

834990 → 834990T

11 499 ₽

315 ₽

Уточняйте

Уточняйте

13 085 ₽

Уточняйте

3 391 ₽

Уточняйте

Уточняйте

8 656 ₽

12 545 ₽

9 550 ₽

Уточняйте

Уточняйте

951 ₽

147 ₽

121 ₽

Уточняйте

23 425 ₽

23 . ЩЕТКА Mercury 811884

809164 → 811884

1 009 ₽

Уточняйте

Уточняйте

Уточняйте

Уточняйте

Уточняйте

393 ₽

375 ₽

248 ₽

Полезные статьи

Все статьи →
Связаться с нами