Генератор и крепеж (4.2L 200) — [88040600 THRU 88050000] — купить в Victory Marine
Генератор и крепеж (4.2L 200)
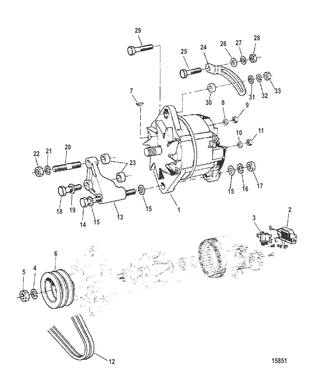
1
2
3
4
5
6
7
8
9
10
11
13
14
15
16
17
18
19
20
21
22
23
24
25
26
27
28
29
30
31
32

Генератор и крепеж (4.2L 200)

45 418 ₽

8 696 ₽

2 842 ₽

33 ₽

46 ₽

6 . ШКИВ Mercury 816539

816176 → 816539

15 764 ₽

12 ₽

9 ₽

23 ₽

23 ₽

11 . гайка Mercury 879194234

809922800 → 879194234

46 ₽

12 . КЛИНОВОЙ РЕМЕНЬ Mercury 64032Q1

64032A1 → 49043A1 → 49043 → 64032Q1

3 681 ₽

10 364 ₽

Уточняйте

15 . ШАЙБА Mercury 16072

809931084 → 16072

180 ₽

27 ₽

6 ₽

214 ₽

Уточняйте

Уточняйте

45 ₽

22 . гайка Mercury 879172161

811478 → 879172161

77 ₽

Уточняйте

1 423 ₽

Уточняйте

26 . шайба Mercury 879194232

811479 → 879194232

27 ₽

32 ₽

28 . ГАЙКА (M10) Mercury 854122001

854122 → 801333455 → 854122001

50 ₽

1 942 ₽

737 ₽

89 ₽

68 ₽

698 ₽

Полезные статьи

Все статьи →
Связаться с нами