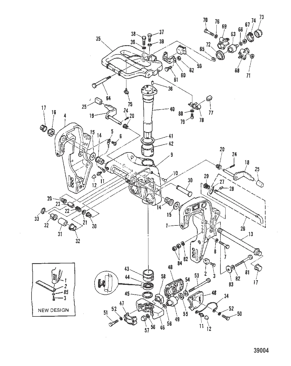
ФИКСАТОР И ПОВОРОТНЫЙ КРОНШТЕЙН (ЭЛЕКТРИЧЕСКОЕ УПРАВЛЕНИЕ НАКЛОНОМ) — [6E9-500101 & Up] - Belgium — купить в Victory Marine
ФИКСАТОР И ПОВОРОТНЫЙ КРОНШТЕЙН (ЭЛЕКТРИЧЕСКОЕ УПРАВЛЕНИЕ НАКЛОНОМ)
1
2
3
4
5
6
7
8
9
10
11
12
13
14
15
16
17
18
19
20
21
22
23
24
25
26
27
28
29
30
31
32
33
34
35
36
38
40
41
42
43
44
45
46
47
48
49
50
51
52
53
54
55
56
57
58
59
60
61
62
63
64
65
66
67
68
69
70
71
72
73
74
75
76
77
78
79
80
81
82
83
84
85

ФИКСАТОР И ПОВОРОТНЫЙ КРОНШТЕЙН (ЭЛЕКТРИЧЕСКОЕ УПРАВЛЕНИЕ НАКЛОНОМ)

Уточняйте

2 . Анод 8M0073429

19235M → 8M0073429

5 267 ₽

2 . АНОД Mercury 84422M

41843M → 84422M

Уточняйте

3 . ВИНТ Mercury 92679M

84423M → 92679M

Уточняйте

3 . БОЛТ Mercury 83285M

82411M → 83285M

103 ₽

Уточняйте

Уточняйте

6 . ВИНТ Mercury 11832M

42761M → 11832M

Уточняйте

Уточняйте

70 ₽

Уточняйте

Уточняйте

500 ₽

1 172 ₽

13 . БОЛТ Mercury 19236M

17070M → 19236M

Уточняйте

Уточняйте

Уточняйте

16 . гайка Mercury 879172252

81787M → 879172252

3 973 ₽

808 ₽

18 . РЫЧАГ Mercury 19237M

17072M → 19237M

Уточняйте

19 . РЫЧАГ Mercury 19238M

17073M → 19238M

Уточняйте

Уточняйте

Уточняйте

Уточняйте

Уточняйте

24 . Шплинт 82132M

82131M → 82800M → 82132M

92 ₽

348 ₽

Уточняйте

Уточняйте

Уточняйте

Уточняйте

30 . ШТИФТ Mercury 19239M

17080M → 19239M

3 632 ₽

Уточняйте

Уточняйте

276 ₽

Уточняйте

Уточняйте

36 . ШТИФТ Mercury 82368M

97821M → 82368M

Уточняйте

38 . БОЛТ Mercury 82442M

814575M → 82442M

Уточняйте

40 . ВАЛ Mercury 83907M

83484M → 83907M

Уточняйте

Уточняйте

Уточняйте

Уточняйте

1 820 ₽

Уточняйте

8 071 ₽

Уточняйте

Уточняйте

49 . MOUNT Mercury 8M0050006

83914M → 8M0050006

19 134 ₽

50 . БОЛТ Mercury 95416M

82465M → 95416M

Уточняйте

51 . БОЛТ Mercury 85277614

82468M → 85277614

897 ₽

601 ₽

Уточняйте

54 . ШАЙБА Mercury 83915M

81819M → 83915M

Уточняйте

Уточняйте

Уточняйте

Уточняйте

Уточняйте

Уточняйте

Уточняйте

61 . БОЛТ Mercury 82405M

82425M → 82405M

Уточняйте

62 . ГАЙКА Mercury 82389M

82380M → 82389M

Уточняйте

63 . MOUNT Mercury 8M0121495

83910T → 8M0121495

14 417 ₽

723 ₽

Уточняйте

Уточняйте

67 . ГАЙКА Mercury 84295M

83502M → 84295M

Уточняйте

Уточняйте

Уточняйте

267 ₽

71 . ГАЙКА Mercury 82382M

43102M → 82382M

702 ₽

377 ₽

Уточняйте

913 ₽

Уточняйте

76 . ШАЙБА Mercury 82217M

82202M → 82217M

Уточняйте

Уточняйте

Уточняйте

Уточняйте

80 . ШАЙБА Mercury 82214M

82199M → 82214M

22 ₽

Уточняйте

Уточняйте

Уточняйте

469 ₽

281 ₽

Полезные статьи

Все статьи →
Связаться с нами