Электросистема — [0M968995 THRU 0M968996] — купить в Victory Marine
Электросистема
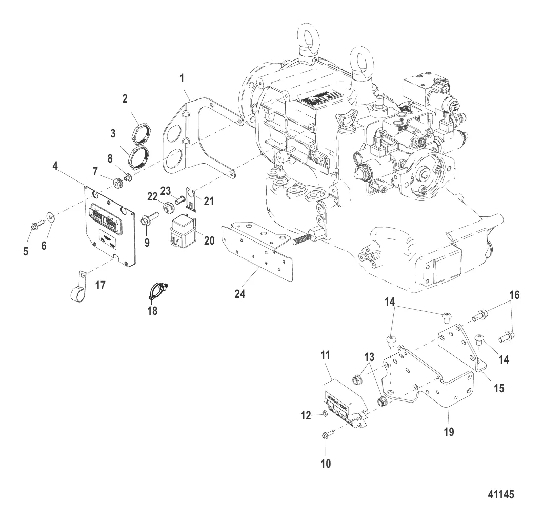
1
2
3
4
7
8
9
10
11
12
13
14
15
16
17
18
19
21
22
23
24

Электросистема

6 184 ₽

740 ₽

509 ₽

4 . модуль-TVM Mercury 8M0065548

879148T71 → 8M0065548

84 212 ₽

4 . модуль-TVM Mercury 8M0065547

879148T70 → 8M0065547

84 077 ₽

292 ₽

339 ₽

734 ₽

407 ₽

261 ₽

14 193 ₽

12 . Гайка 68219

20645 → 33252 → 68219

72 ₽

715 ₽

440 ₽

5 543 ₽

699 ₽

17 . J-ЗАЖИМ Mercury 65292

8M0024808 → 65292

296 ₽

438 ₽

7 543 ₽

3 600 ₽

575 ₽

392 ₽

140 ₽

4 529 ₽

Полезные статьи

Все статьи →
Связаться с нами