Электрические компоненты (Пластина катушки в сборе) — [0E406400 & Up] - USA — купить в Victory Marine
Электрические компоненты (Пластина катушки в сборе)
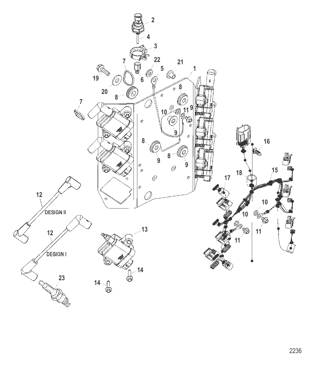
1
2
3
5
6
7
8
11
14
15
16
19
20
21
22

Электрические компоненты (Пластина катушки в сборе)

15 939 ₽

25 000 ₽

266 ₽

7 685 ₽

3 100 ₽

Уточняйте

45 ₽

583 ₽

113 ₽

265 ₽

4 500 ₽

31 593 ₽

605 ₽

44 916 ₽

16 . ЗАЖИМ Mercury 828991T

828991 → 828991T

662 ₽

567 ₽

113 ₽

426 ₽

260 ₽

1 723 ₽

Полезные статьи

Все статьи →
Связаться с нами