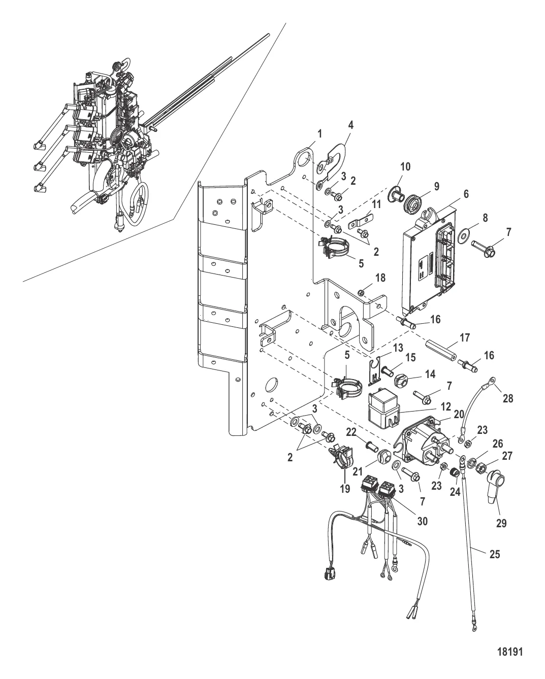
Электрические компоненты Монтаж PCM — [1B227000 THRU 1B417701] - USA — купить в Victory Marine
Электрические компоненты Монтаж PCM
1
2
4
5
6
7
10
11
13
14
17
18
19
21
22
23
24
27
29

Электрические компоненты Монтаж PCM

19 084 ₽

239 ₽

113 ₽

3 100 ₽

292 ₽

6 . PCM Mercury 89790640T

88555701S → 89790640T

566 589 ₽

6 . PCM Mercury 89790641T

88555746S → 89790641T

566 588 ₽

6 . PCM Mercury 89790642T

88555747S → 89790642T

584 091 ₽

383 ₽

292 ₽

339 ₽

734 ₽

1 940 ₽

3 600 ₽

575 ₽

392 ₽

2 463 ₽

1 298 ₽

415 ₽

373 ₽

9 443 ₽

507 ₽

140 ₽

201 ₽

434 ₽

2 132 ₽

223 ₽

27 . ГАЙКА (0.312-18) Mercury 68292

F1349 → F1330 → 68292

197 ₽

941 ₽

823 ₽

17 778 ₽

Полезные статьи

Все статьи →
Связаться с нами