Электрические компоненты Крепление реле — [1B227000 THRU 1B366822] - USA — купить в Victory Marine
Электрические компоненты Крепление реле
2
3
6
8
10
11
12
16
17
18
19
20
21
23
24
25
27
28
29
34
36
37
38
40
41
42
43
44
45
46
47
48

Электрические компоненты Крепление реле

15 794 ₽

Уточняйте

12 404 ₽

27 115 ₽

Уточняйте

249 ₽

389 ₽

682 ₽

644 ₽

8 239 ₽

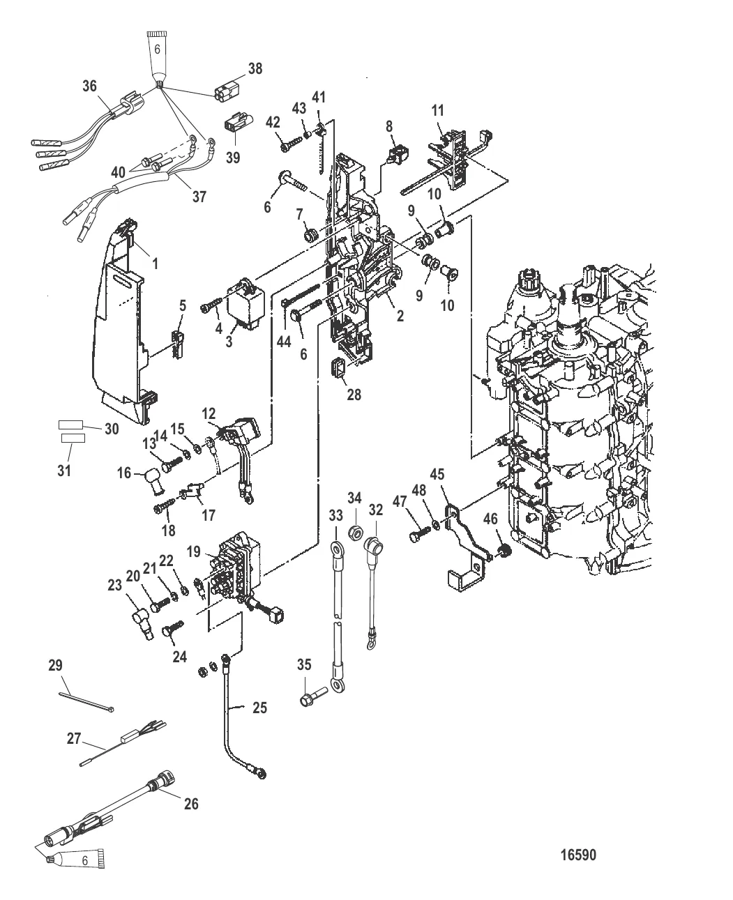
16 . BOOT Mercury 804284001

804284 → 804284001

599 ₽

216 ₽

115 ₽

28 216 ₽

315 ₽

281 ₽

383 ₽

Уточняйте

590 ₽

47 841 ₽

8 752 ₽

216 ₽

45 ₽

1 392 ₽

369 ₽

35 . ВИНТ (M6 x 1.0 x 20) Mercury 8M4503518

40011128 → 1994020 → 8M4503518

394 ₽

5 781 ₽

9 092 ₽

2 222 ₽

Уточняйте

40 . Болт 8248324

82304213 → 804368 → 8248324

194 ₽

325 ₽

982 ₽

128 ₽

206 ₽

2 847 ₽

839 ₽

47 . БОЛТ Mercury 84368M

82449M → 84368M

Уточняйте

48 . ШАЙБА Mercury 82214M

82199M → 82214M

22 ₽

Полезные статьи

Все статьи →
Связаться с нами