Электрические компоненты — [0G960500 THRU 0T178499] - USA — купить в Victory Marine
Электрические компоненты
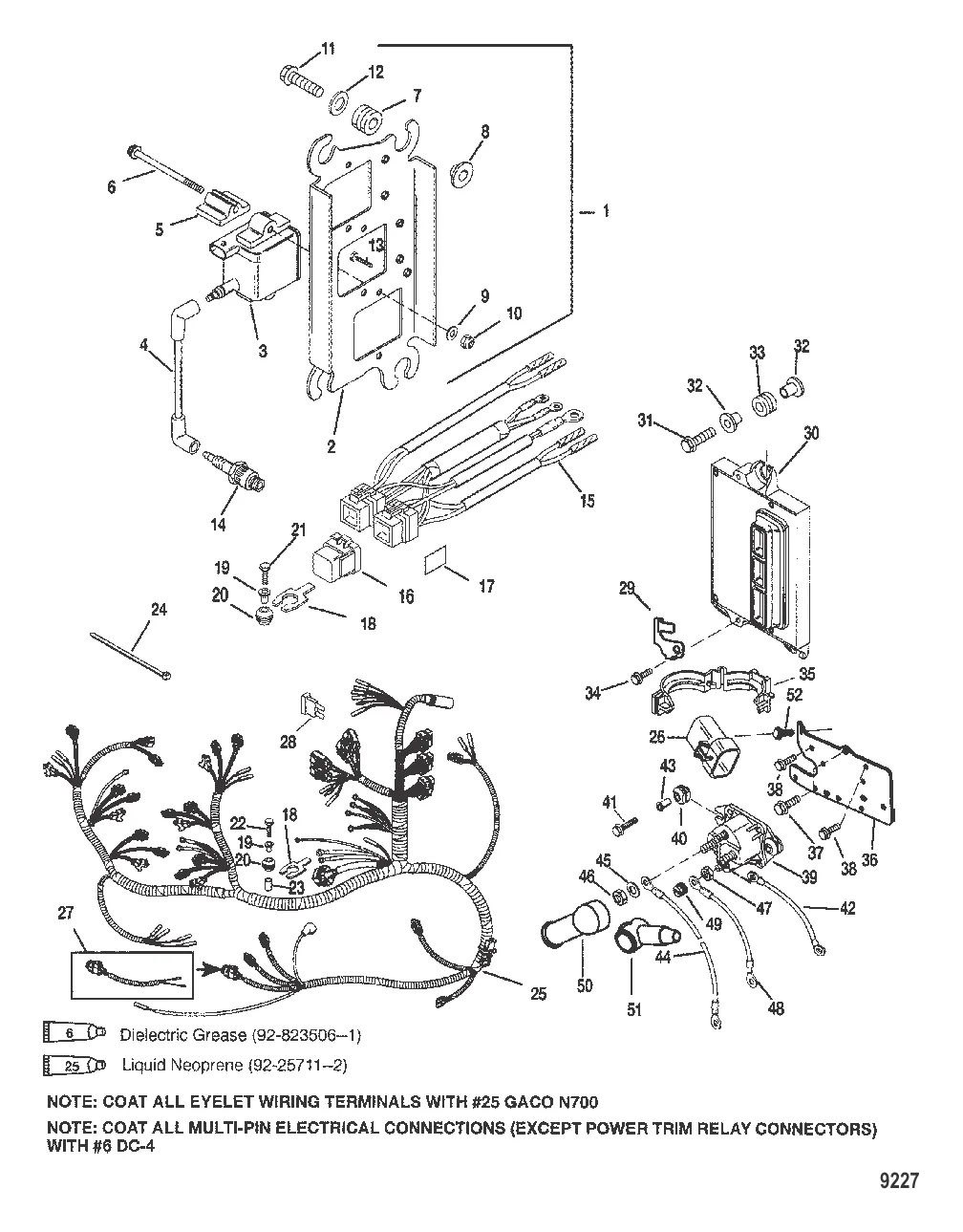
2
3
5
6
7
8
11
12
18
20
22
23
24
26
27
28
29
30
31
32
35
36
37
38
40
41
43
46
47
49
50
51
52

Электрические компоненты

9 428 ₽

23 971 ₽

4 500 ₽

2 933 ₽

812 ₽

583 ₽

426 ₽

238 ₽

774 ₽

205 ₽

113 ₽

3 213 ₽

12 524 ₽

3 600 ₽

575 ₽

392 ₽

333 ₽

925 ₽

45 ₽

Уточняйте

4 232 ₽

1 168 ₽

884 ₽

30 . ECU Mercury 858891T28

85889128 → 858891T28

491 693 ₽

30 . ECU Mercury 858891T24

85889124 → 858891T24

491 565 ₽

30 . ECU Mercury 858891T25

85889125 → 858891T25

482 063 ₽

407 ₽

433 ₽

339 ₽

292 ₽

5 061 ₽

284 ₽

239 ₽

9 443 ₽

507 ₽

383 ₽

3 056 ₽

140 ₽

223 ₽

46 . ГАЙКА (0.312-18) Mercury 68292

F1349 → F1330 → 68292

197 ₽

201 ₽

941 ₽

434 ₽

532 ₽

823 ₽

52 . ЗАЖИМ Mercury 828991T

828991 → 828991T

662 ₽

Полезные статьи

Все статьи →
Гайды и подбор

Расход топлива лодочных моторов Mercury и Tohatsu — полная таблица

Таблицы расхода топлива моторов Mercury, Tohatsu и MerCruiser при разных оборотах. Что влияет на расход, какой бензин заливать, как рассчитать запас на поездку и снизить потребление горючего.

1 мин.
Гайды и подбор

Лодка перевернулась — порядок действий и как этого избежать

Переворот лодки — экстренная ситуация, но не приговор, если знаешь что делать. Разбираем пошаговый алгоритм действий, способы подачи сигнала и главное — как не допустить опрокидывания.

1 мин.
Гайды и подбор

Леска, плетёнка или флюорокарбон — что выбрать для спиннинга и донки

Подробно разбираем три типа рыболовных лесок — монофильную, плетёную и флюорокарбоновую. Сравниваем растяжимость, прочность, видимость и цену, чтобы вы точно знали, что намотать на катушку.

1 мин.
Связаться с нами