Электрические компоненты — [0G760300 THRU 0G960499] - USA — купить в Victory Marine
Электрические компоненты
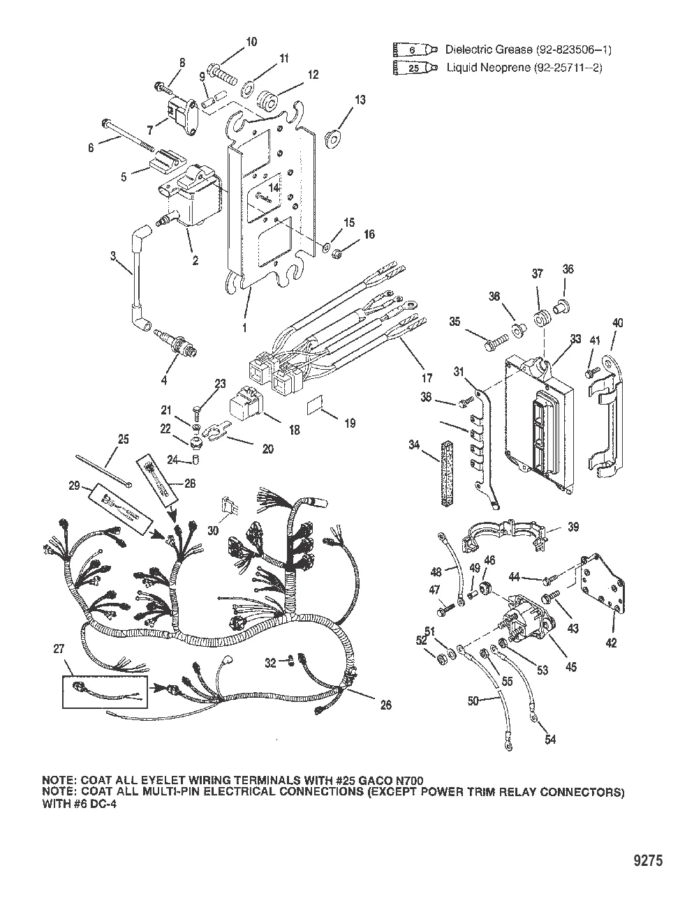
1
2
4
5
6
10
11
12
13
20
22
23
24
25
27
31
32
33
34
35
36
39
40
41
43
44
46
47
49
52
53
55

Электрические компоненты

Уточняйте

23 971 ₽

4 500 ₽

737 ₽

759 ₽

3 213 ₽

2 933 ₽

812 ₽

4 690 ₽

205 ₽

113 ₽

583 ₽

426 ₽

238 ₽

774 ₽

12 524 ₽

3 600 ₽

575 ₽

392 ₽

333 ₽

925 ₽

45 ₽

146 394 ₽

4 232 ₽

4 370 ₽

4 522 ₽

359 ₽

Уточняйте

Уточняйте

33 . ECU Mercury 858891A20

856496R8 → 858891A20

506 781 ₽

33 . ECU Mercury 858891A21

856496R9 → 858891A21

522 815 ₽

261 ₽

407 ₽

433 ₽

339 ₽

697 ₽

40 . ЗАЖИМ Mercury 8266241

826624 → 8266241

4 029 ₽

152 ₽

Уточняйте

284 ₽

239 ₽

9 443 ₽

507 ₽

383 ₽

3 056 ₽

140 ₽

223 ₽

52 . ГАЙКА (0.312-18) Mercury 68292

F1349 → F1330 → 68292

197 ₽

201 ₽

941 ₽

434 ₽

Полезные статьи

Все статьи →
Связаться с нами