Электрические компоненты — [0C222000 THRU 0D283221] - USA — купить в Victory Marine
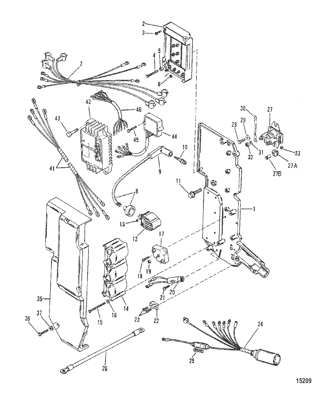
Электрические компоненты
3
4
5
7
14
15
17
19
20
21
22
23
24
27
29
32
33
35
36
37

Электрические компоненты

Уточняйте

51 394 ₽

144 ₽

Уточняйте

5 945 ₽

4 688 ₽

10 736 ₽

862 ₽

Уточняйте

2 400 ₽

383 ₽

12 . Катушка зажигания Mercury 15 832757A4

7370A13 → 7370A8 → 7370A2 → 4995A2 → 4995A1 → 4774A1 → 832757A4

14 211 ₽

Уточняйте

Уточняйте

19 448 ₽

14 509 ₽

201 ₽

12 737 ₽

561 ₽

323 ₽

23 . Болт 48408

F2209 → 48408

256 ₽

15 866 ₽

7 484 ₽

344 ₽

27 . Соленоид 850187T1

850187A1 → 818998A2 → 818998A1 → 850187T1

4 730 ₽

392 ₽

140 ₽

299 ₽

318 ₽

845 ₽

109 ₽

32 . ГАЙКА (0.250-20) Mercury 64015

F1341 → F15051 → 64015

266 ₽

225 ₽

35 . КРЫШКА Mercury 124174

124171 → 12417T → 124174

Уточняйте

490 ₽

228 ₽

4 140 ₽

862 ₽

45 243 ₽

44 . Регулятор напряжения 8M0084173

883072T → 854515T1 → 854515 → 8301792 → 8152795 → 815279T → 8152793 → 8M0084173

43 107 ₽

290 ₽

6 206 ₽

Полезные статьи

Все статьи →
Связаться с нами