ЭЛЕКТРИЧЕСКИЕ КОМПОНЕНТЫ — [0A996142 THRU 0B240450] - USA - Cat.# 90-13725 — купить в Victory Marine
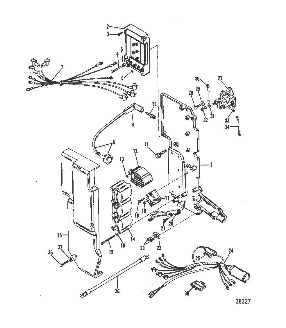
ЭЛЕКТРИЧЕСКИЕ КОМПОНЕНТЫ
3
4
5
7
8
14
17
19
20
21
22
23
24
25
28
29
30
32
33
34
35
36
37
38

ЭЛЕКТРИЧЕСКИЕ КОМПОНЕНТЫ

Уточняйте

51 394 ₽

144 ₽

Уточняйте

5 945 ₽

4 688 ₽

4 314 ₽

862 ₽

Уточняйте

383 ₽

12 . Катушка зажигания Mercury 15 832757A4

7370A13 → 7370A8 → 7370A2 → 4995A2 → 4995A1 → 4774A1 → 832757A4

14 211 ₽

Уточняйте

17 . RECTIFIER Mercury 8M0058226

816770T → 8M0058226

13 253 ₽

201 ₽

12 737 ₽

561 ₽

323 ₽

23 . Болт 48408

F2209 → 48408

256 ₽

15 866 ₽

344 ₽

4 500 ₽

223 ₽

318 ₽

845 ₽

109 ₽

32 . ГАЙКА (0.250-20) Mercury 64015

F1341 → F15051 → 64015

266 ₽

225 ₽

237 ₽

35 . КРЫШКА Mercury 124174

124171 → 12417T → 124174

Уточняйте

490 ₽

228 ₽

Уточняйте

Полезные статьи

Все статьи →
Связаться с нами